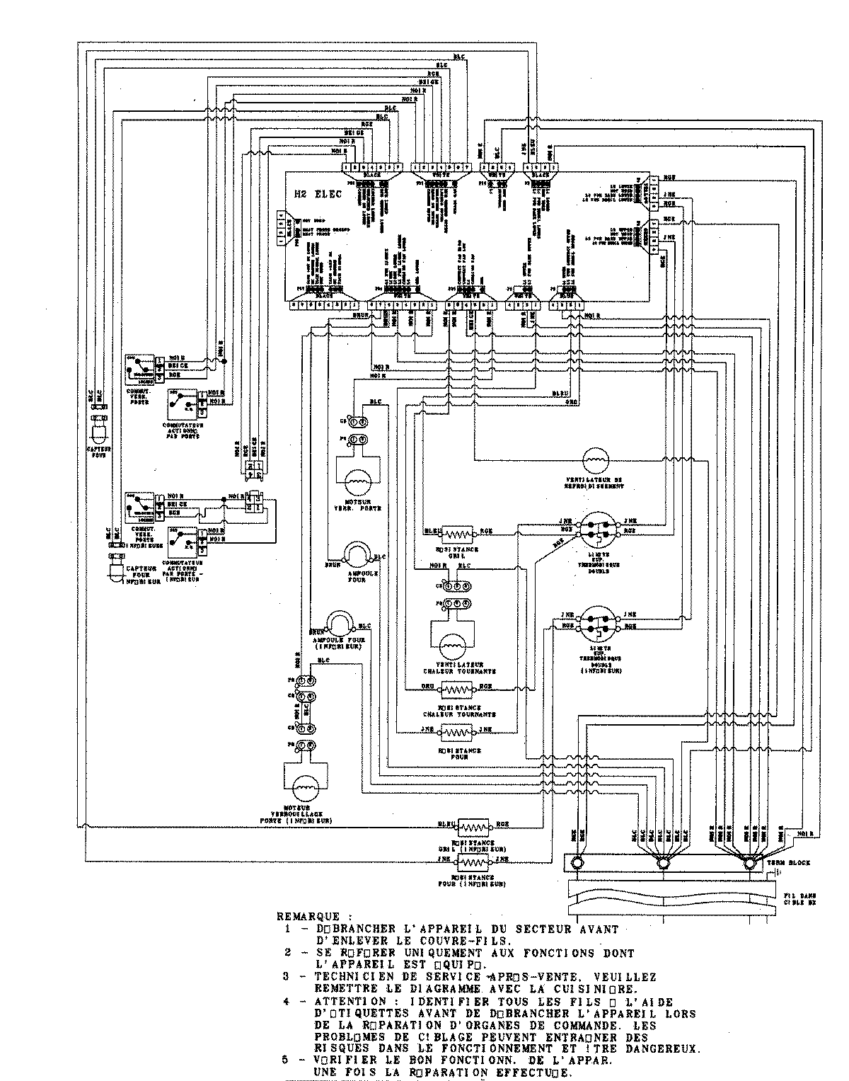
MEW6627DDS 07 – WIRING INFORMATIONadmin2025-04-26T09:07:26+00:00MEW6627DDS 07 – WIRING INFORMATION ProductsPositionProduct1MAY 15003245