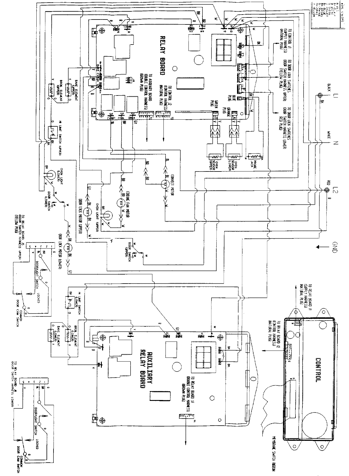
MEW6630BAB 08 – WIRING INFORMATION

MEW6630BAB 08 – WIRING INFORMATION

Products

PositionProduct
NIMAY 15002945
NIMAY 15001719