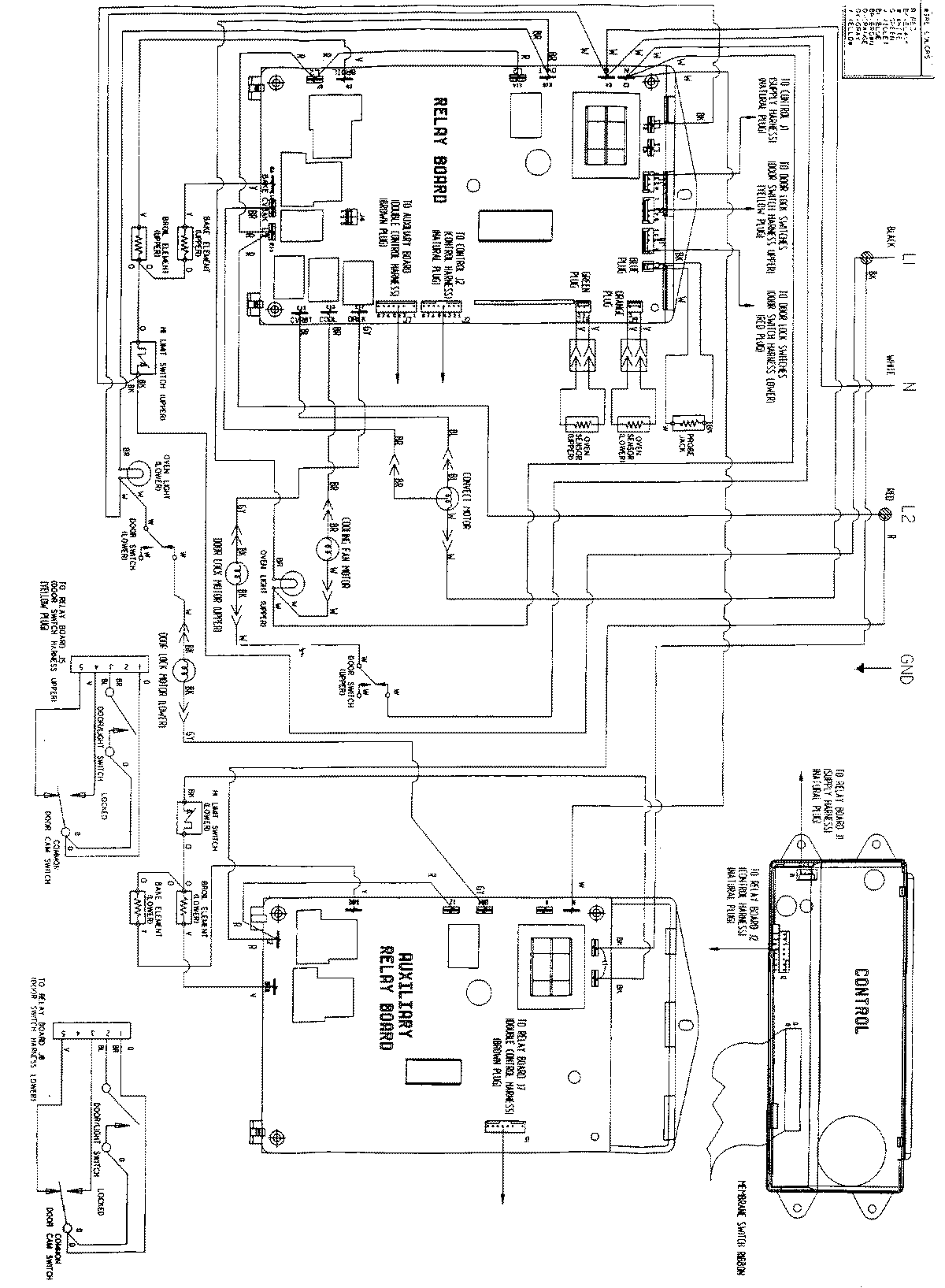
MEW6630BAC 08 – WIRING INFORMATIONadmin2025-04-26T09:08:56+00:00MEW6630BAC 08 – WIRING INFORMATION ProductsPositionProductNIMAY 15001719