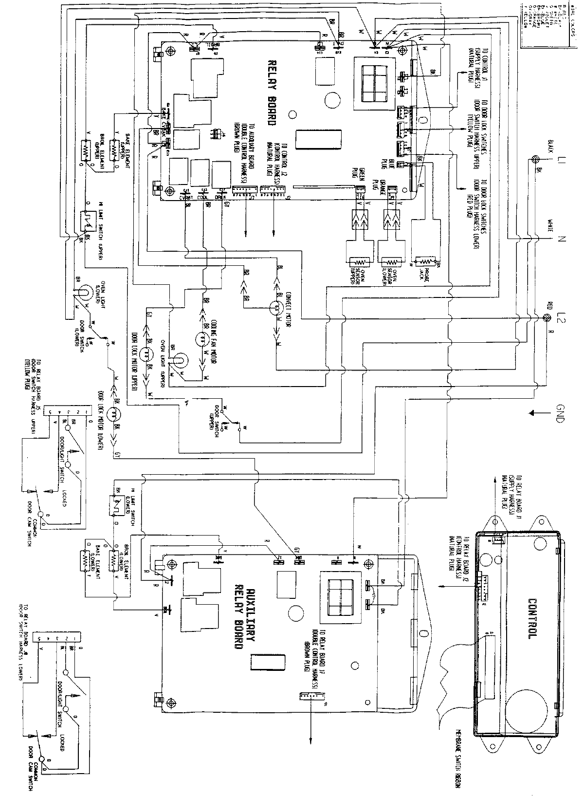
MEW6630CAS 06 – WIRING INFORMATIONadmin2025-04-26T09:08:34+00:00MEW6630CAS 06 – WIRING INFORMATION ProductsPositionProductNIMAY 15001719