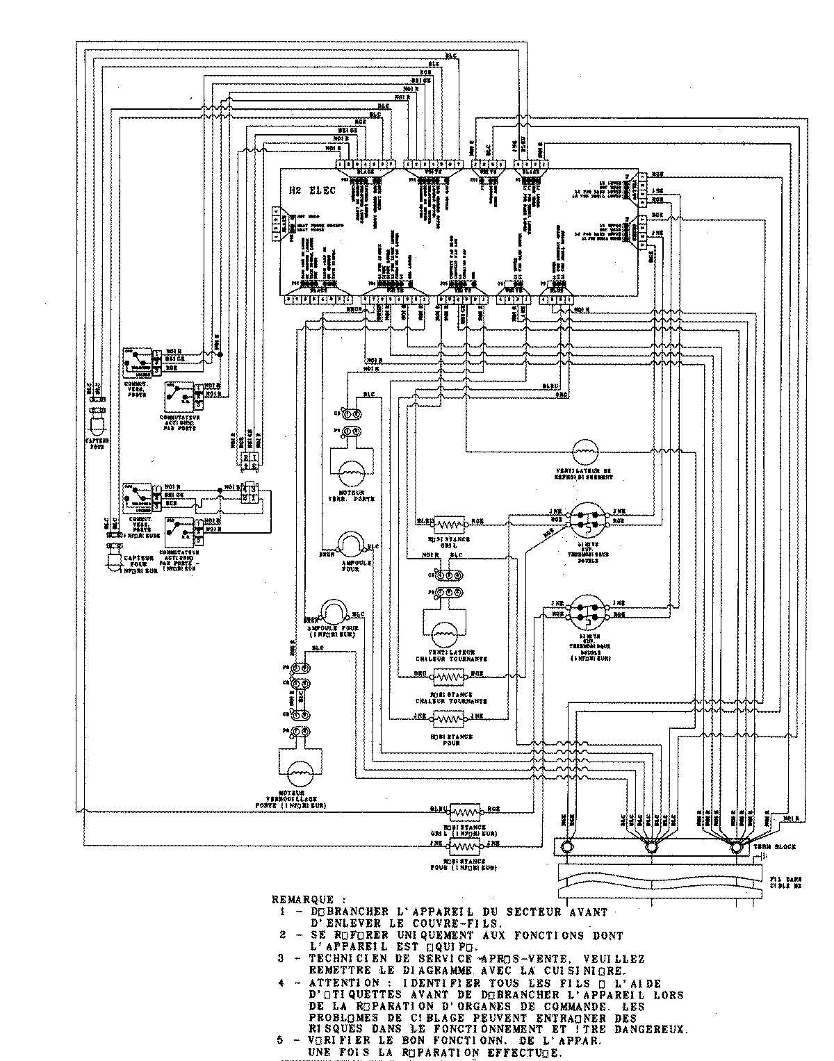
MEW6630DDQ 07 – WIRING INFORMATIONadmin2025-04-26T09:12:05+00:00MEW6630DDQ 07 – WIRING INFORMATION ProductsPositionProduct1MAY 15003245