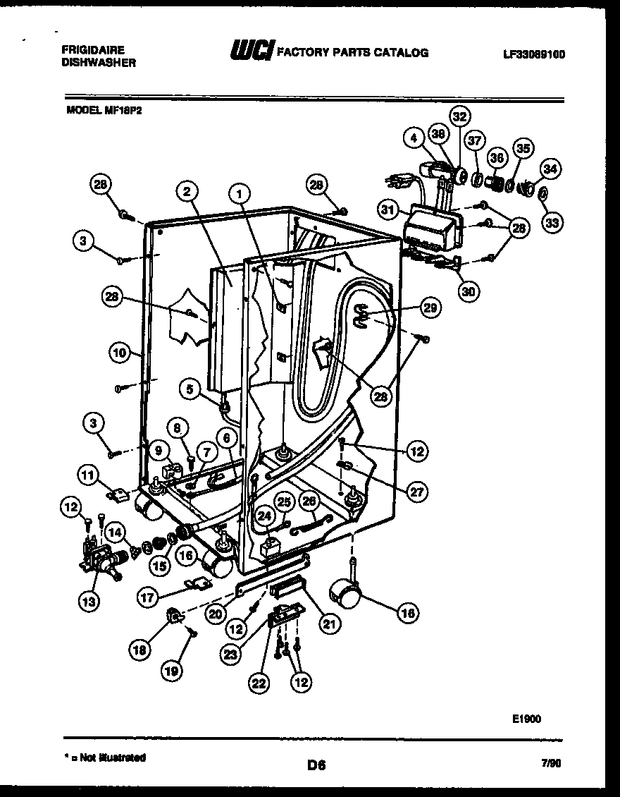
MF18PW2 07 – CABINET PARTSadmin2025-04-26T09:20:36+00:00MF18PW2 07 – CABINET PARTS ProductsPositionProduct*35047WCI 53008089271WCI 53032085462WCI 53032085473WCI 8094464PRESSURE RELIEF VALVE KIT5WCI 53032085486CORD - POWER7WCI 8073438WCI 8079519WCI 530320854910WCI 530320855011WCI 530320855312WCI 301814613VALVE - WATER (INCLUDES 14)14WCI 5303208554155303161296 Frigidaire Washer-Inlet Hose (1Piece)16WCI 80966117WCI 530320855518WCI 530320855619WCI 530080286020WCI 530320855721WCI 530320855822WCI 530320855923WCI 530320856024WCI 530320856125WCI 530320856226WCI 530320856327WCI 80442628WCI 301806529WCI 530320856430WCI 530320856531WCI 530320856632WCI 530320856733WCI 80339334WCI 530800064635WCI 530080339236WCI 530080314937SEAL - SLEEVE RUBBER38WCI 807499