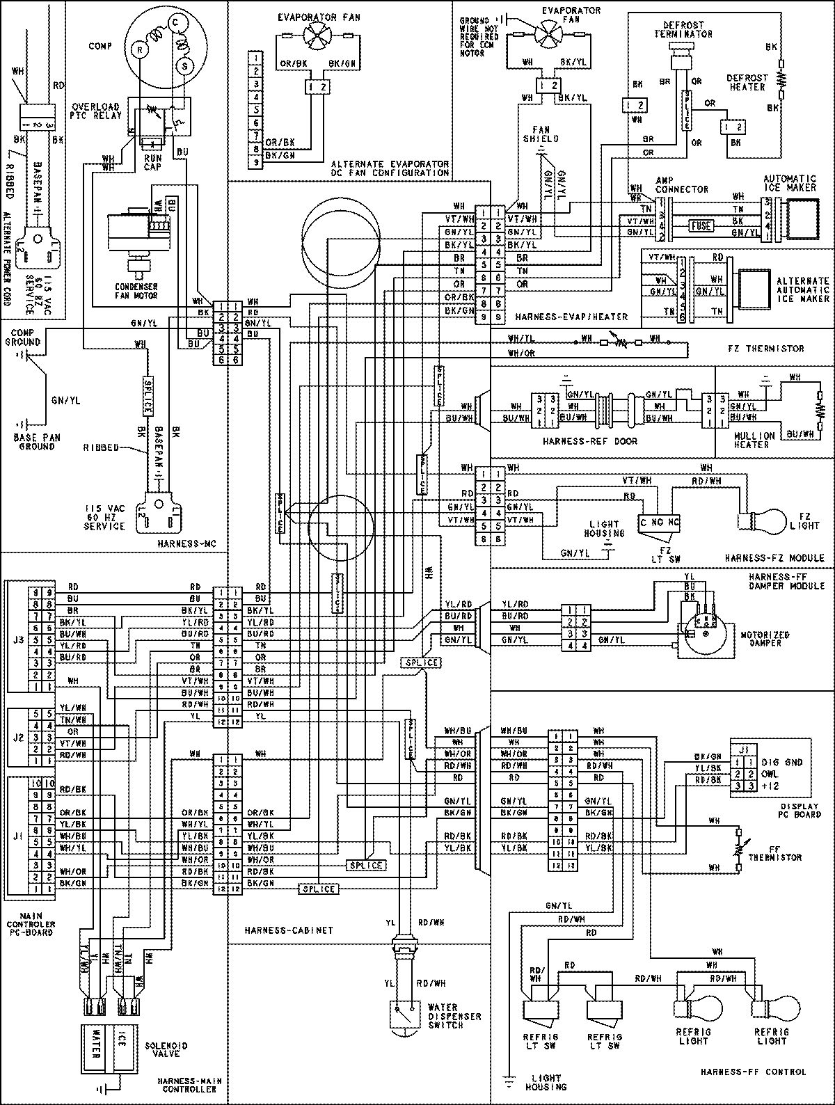
MFC2061KES 17 – WIRING INFORMATIONadmin2025-04-26T09:08:38+00:00MFC2061KES 17 – WIRING INFORMATION ProductsPositionProductNIMAY 15003912