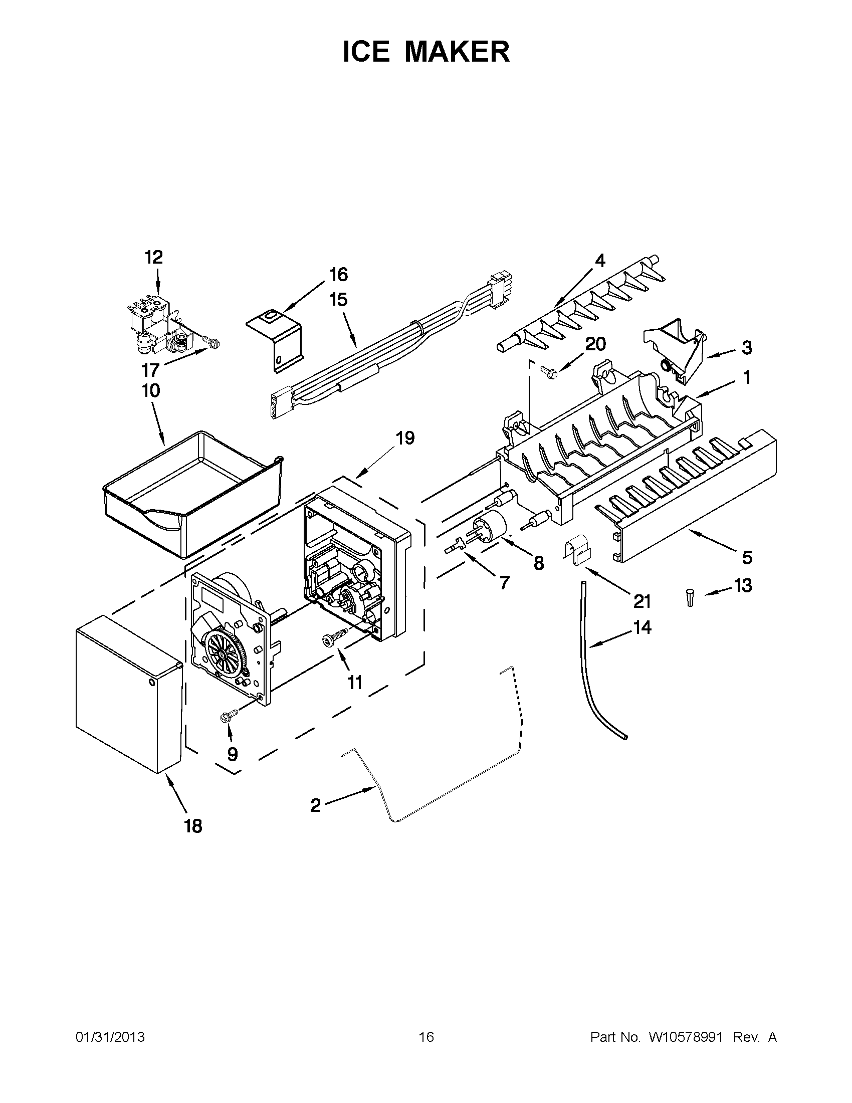
MFC2061KES14 08 – ICE MAKERadmin2025-04-26T09:09:08+00:00MFC2061KES14 08 – ICE MAKER ProductsPositionProductNIW11033771 Whirlpool Refrigerator CouplingNILINER (NOT A SERVICEABLE PART)1ASSEMBLY, MOLD AND HEATER2ARM, SHUT OFF3MAY W104100734MAY W103189145ICE STRIPPER7MAY 23155228MAY W102903369Screw (3)10MAY W10171529N11MAY 853391712VALVE, WATER INLET13MAY A322310114MAY B570533315MAY W1045898516MAY 225608617MAY 1299160418MAY W1037717419ASSEMBLY, MODULE AND MOTOR20MAY 48927621Clip100ASSEMBLY, ICEMAKER (COMPLETE)