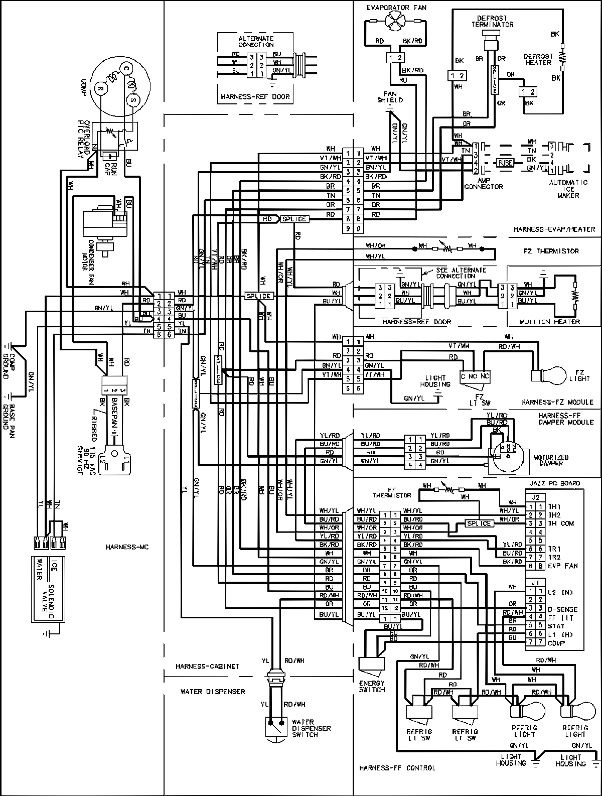
MFD2560HEB 18 – WIRING INFORMATIONadmin2025-04-26T09:10:14+00:00MFD2560HEB 18 – WIRING INFORMATION ProductsPositionProductNIMAY 15003556