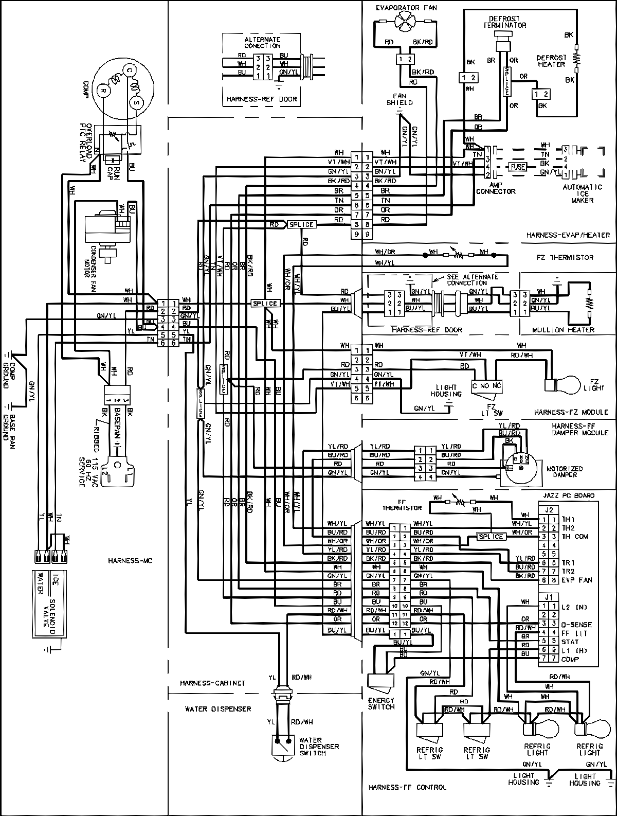
MFD2560HES 18 – WIRING INFORMATIONadmin2025-04-26T09:07:59+00:00MFD2560HES 18 – WIRING INFORMATION ProductsPositionProductNIMAY 15003556