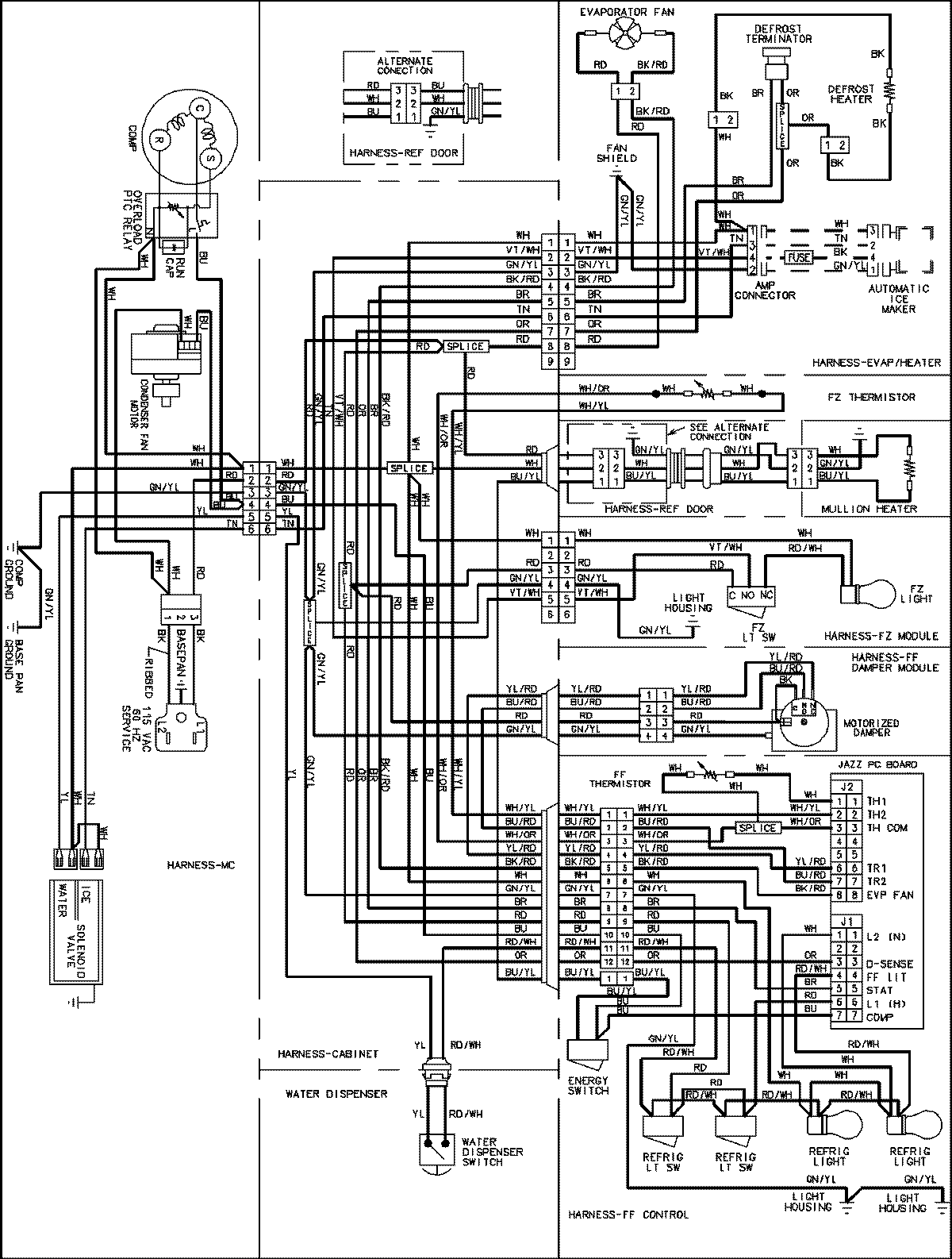
MFD2560HEW 18 – WIRING INFORMATIONadmin2025-04-26T09:08:20+00:00MFD2560HEW 18 – WIRING INFORMATION ProductsPositionProductNIMAY 15003556