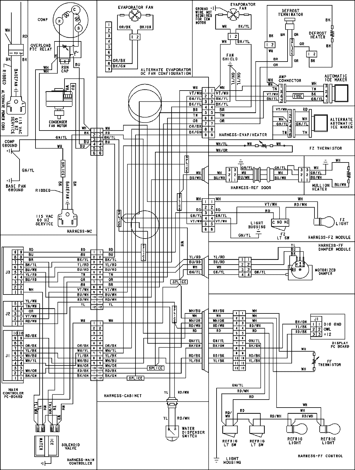
MFD2561KES 17 – WIRING INFORMATIONadmin2025-04-26T09:07:59+00:00MFD2561KES 17 – WIRING INFORMATION ProductsPositionProductNIMAY 15003912