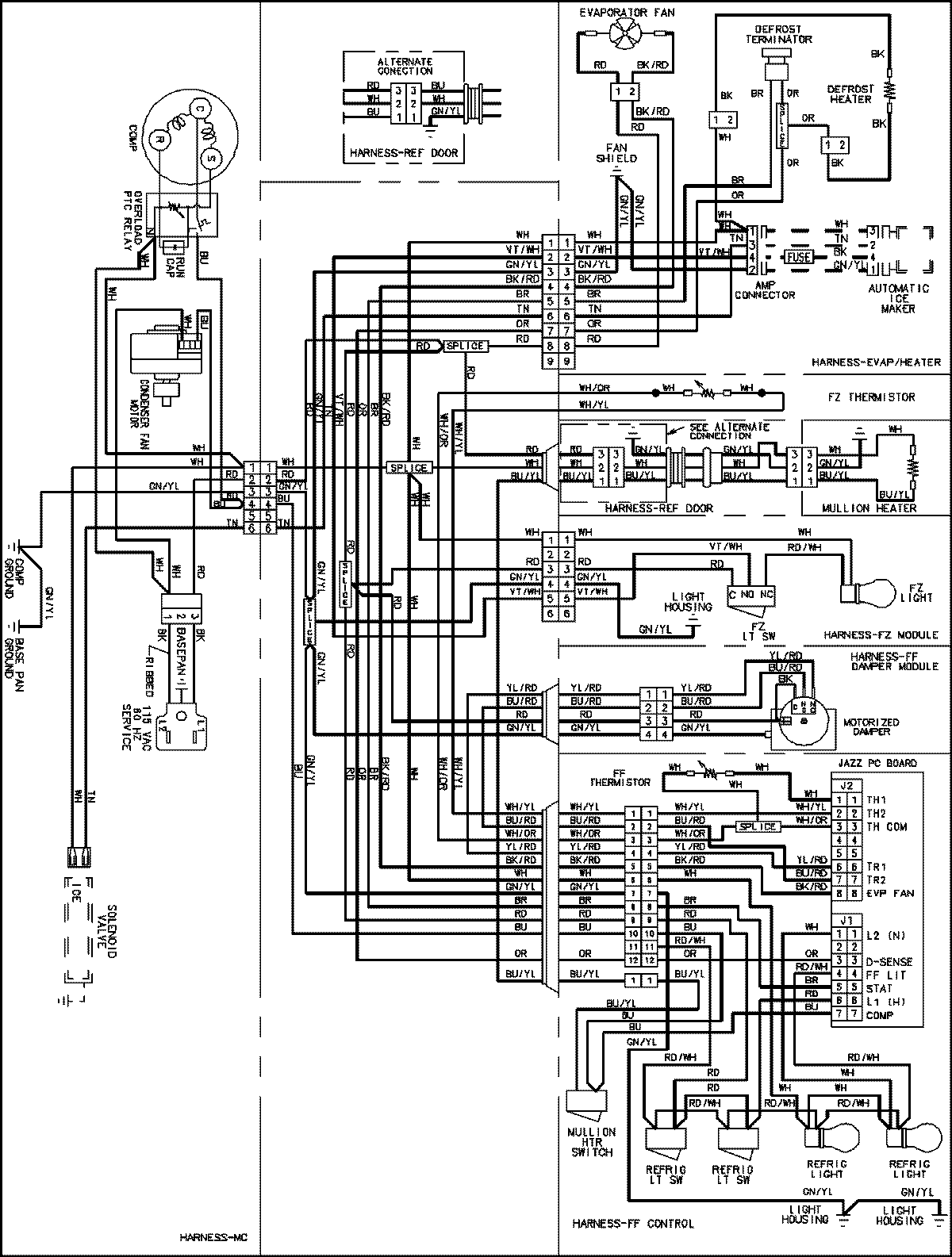
MFF2558KEB 16 – WIRING INFORMATIONadmin2025-04-26T09:10:55+00:00MFF2558KEB 16 – WIRING INFORMATION ProductsPositionProductNIMAY 15003658