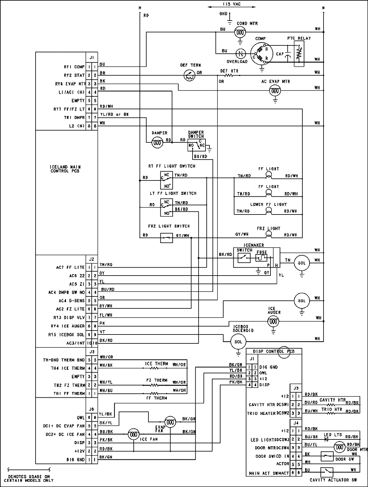
MFI2067AEW 15 – WIRING INFORMATION

MFI2067AEW 15 – WIRING INFORMATION

Products

PositionProduct
NIMAY 15003955