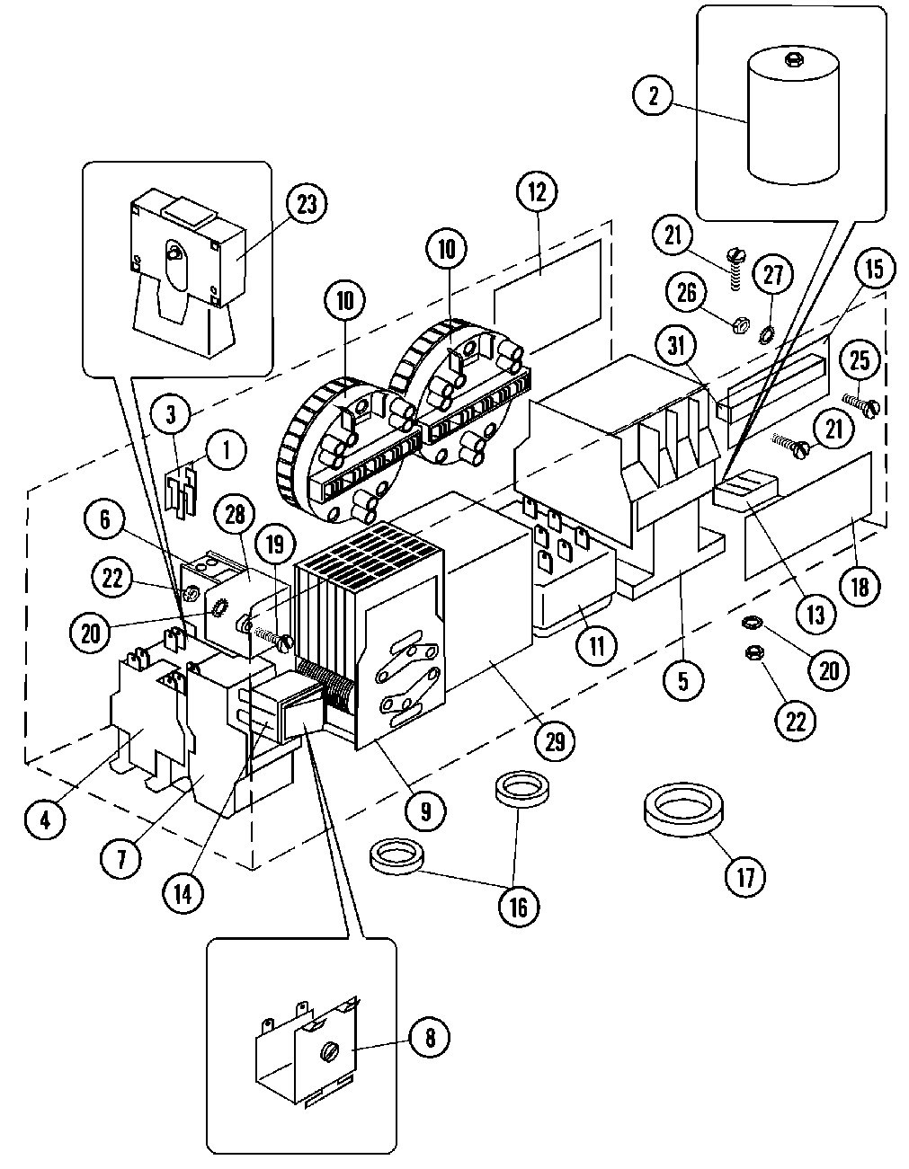
MFR18MCAAS 17 – MAIN CONTROL (SERIES 11)