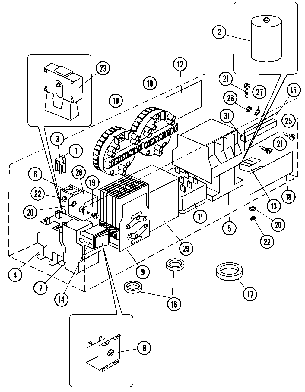
MFR18MCAVS 17 – MAIN CONTROL (SERIES 11)admin2025-04-26T09:05:08+00:00MFR18MCAVS 17 – MAIN CONTROL (SERIES 11) ProductsPositionProduct001MAY 23001094002MAY 23001097002MAY 23001098002MAY 23001096002MAY 23001358002MAY 23001357003PC BOARD SOCKET004CONTACTOR004MAY 23003751004MAY 23003750004MAY 23001100004MAY 23001101005MAY 23001102005MAY 23001103006MAY 23001104007MAY 23003757007MAY 23003758007RELAY, THERMAL OVERLOAD (7-10A007MAY 23003756007RELAY, THERMAL OVERLOAD (4-6A)007MAY 23003755007RELAY, THERMAL OVERLOAD(2.5-4A007RELAY, OVERLOAD (LR2-D1312)008MAY 23002955009TIMER, REVERSING (PR1840)010MAY 23001360010SWITCH, WATER LEVEL010MAY 23001513011MAY 23002460012MAY 23001465013MAY 23002959014ROCKER SWITCH, PREWASH/NO PREW015INSULATION PAPER016MAY 23001138017MAY 23001117018MAY 23001118019MAY 23002423020MAY 23002111021MAY 23002398022MAY 23002399023MAY 23001119023MAY 23003762024MAY 23002952025MAY 23002806026MAY 23001515027MAY 23001734028DOWEL PIN FOR HANDLE029MAY 23002348029MAY 23002954031MAY 23002154