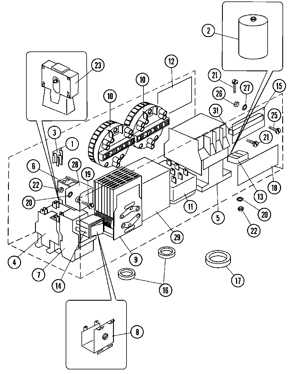
MFR25MCAVS 17 – MAIN CONTROL (SERIES 11)admin2025-04-26T09:06:52+00:00MFR25MCAVS 17 – MAIN CONTROL (SERIES 11) ProductsPositionProduct001MAY 23001094002MAY 23001096002MAY 23001357002MAY 23001097002MAY 23001098002MAY 23001358003PC BOARD SOCKET004MAY 23003751004MAY 23003750004CONTACTOR004MAY 23001101004MAY 23001100005MAY 23001102005MAY 23001103006MAY 23001104007MAY 23003758007MAY 23003757007MAY 23003756007RELAY, OVERLOAD (LR2-D1312)007RELAY, THERMAL OVERLOAD (7-10A007RELAY, THERMAL OVERLOAD(2.5-4A007MAY 23003755007RELAY, THERMAL OVERLOAD (4-6A)009TIMER, REVERSING (PR1840)010SWITCH, WATER LEVEL010MAY 23001360010MAY 23001513011MAY 23002460014ROCKER SWITCH, PREWASH/NO PREW015INSULATION PAPER017MAY 23001117018MAY 23001118019MAY 23002423020MAY 23002111021MAY 23002398022MAY 23002399023MAY 23003762023MAY 23001119024MAY 23002952025MAY 23002806026MAY 23001515027MAY 23001734029MAY 23002348030MAY 23002959032MAY 23001465033MAY 23002955035DOWEL PIN FOR HANDLE036MAY 23001138037MAY 23002154