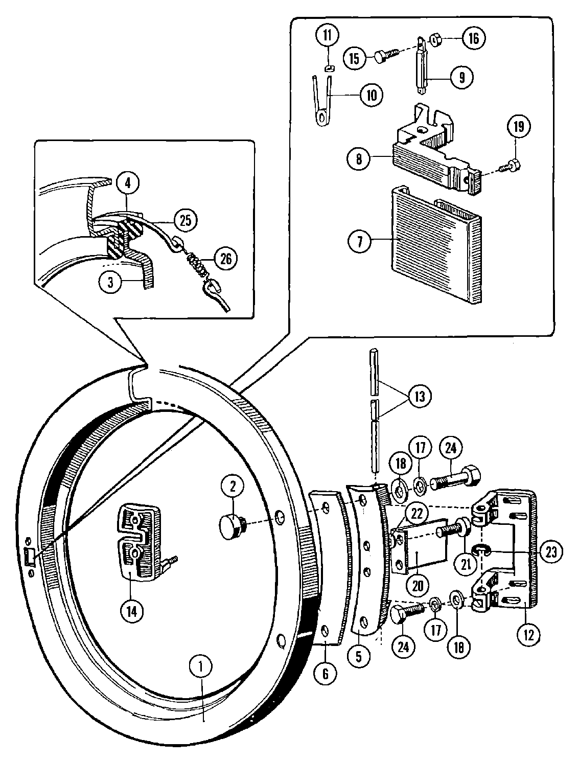
MFR50PCATS 06 – DOOR