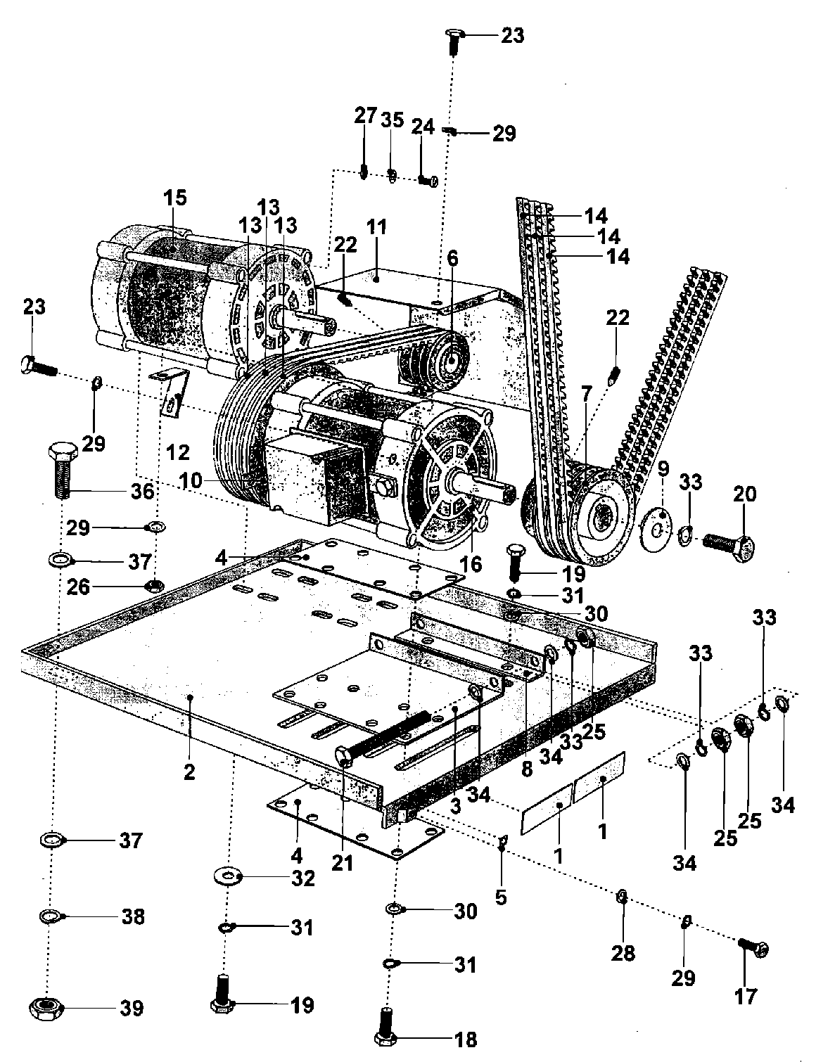
MFS90PNAVS 07 – MOTOR DRIVE