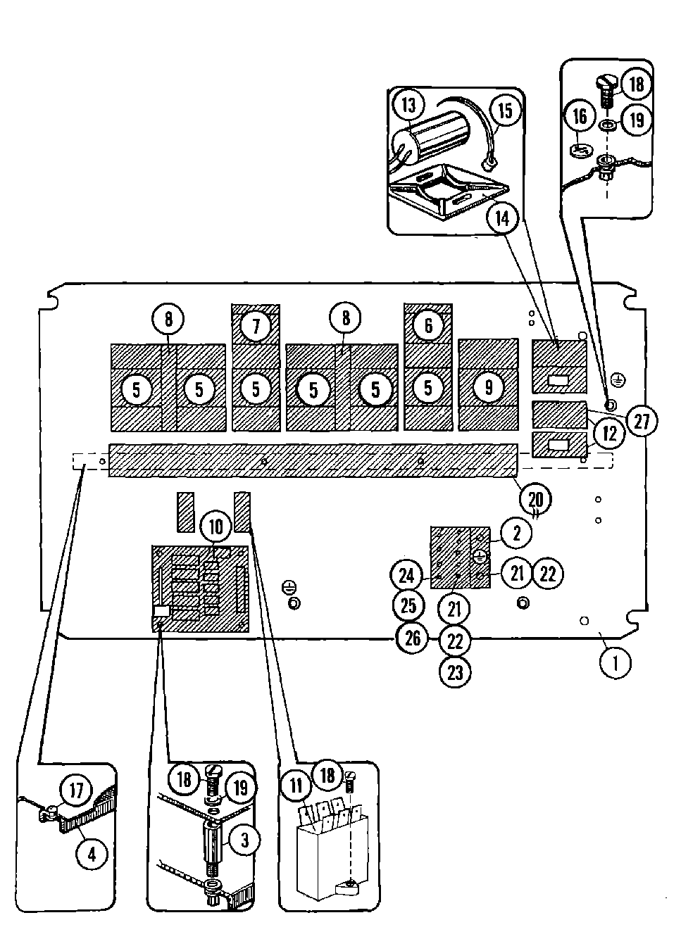
MFX50PNAVS 11 – MAIN CONTROLadmin2025-04-26T09:08:10+00:00MFX50PNAVS 11 – MAIN CONTROL ProductsPositionProduct001MAY 23002158002MAY 23002099003MAY 23002084004MAY 23001716005MAY 23001101005MAY 23001102006MAY 23001105006RELAY, THERMAL OVERLOAD (4-6A)007RELAY, THERMAL OVERLOAD (7-10A007RELAY, OVERLOAD (LR2-D1312)008MAY 23001119009BREAKER, CIRCUIT010MAY 23001718011SERIES 15 THIS PART IS012MAY 23001094014MAY 23002048015MAY 23001720017DOWEL PIN FOR HANDLE018MAY 23001361019MAY 23001056020MAY 23002103021MAY 23001748022MAY 23002111023MAY 23002129024MAY 23002303025MAY 23001734026MAY 23001643027PC BOARD SOCKET