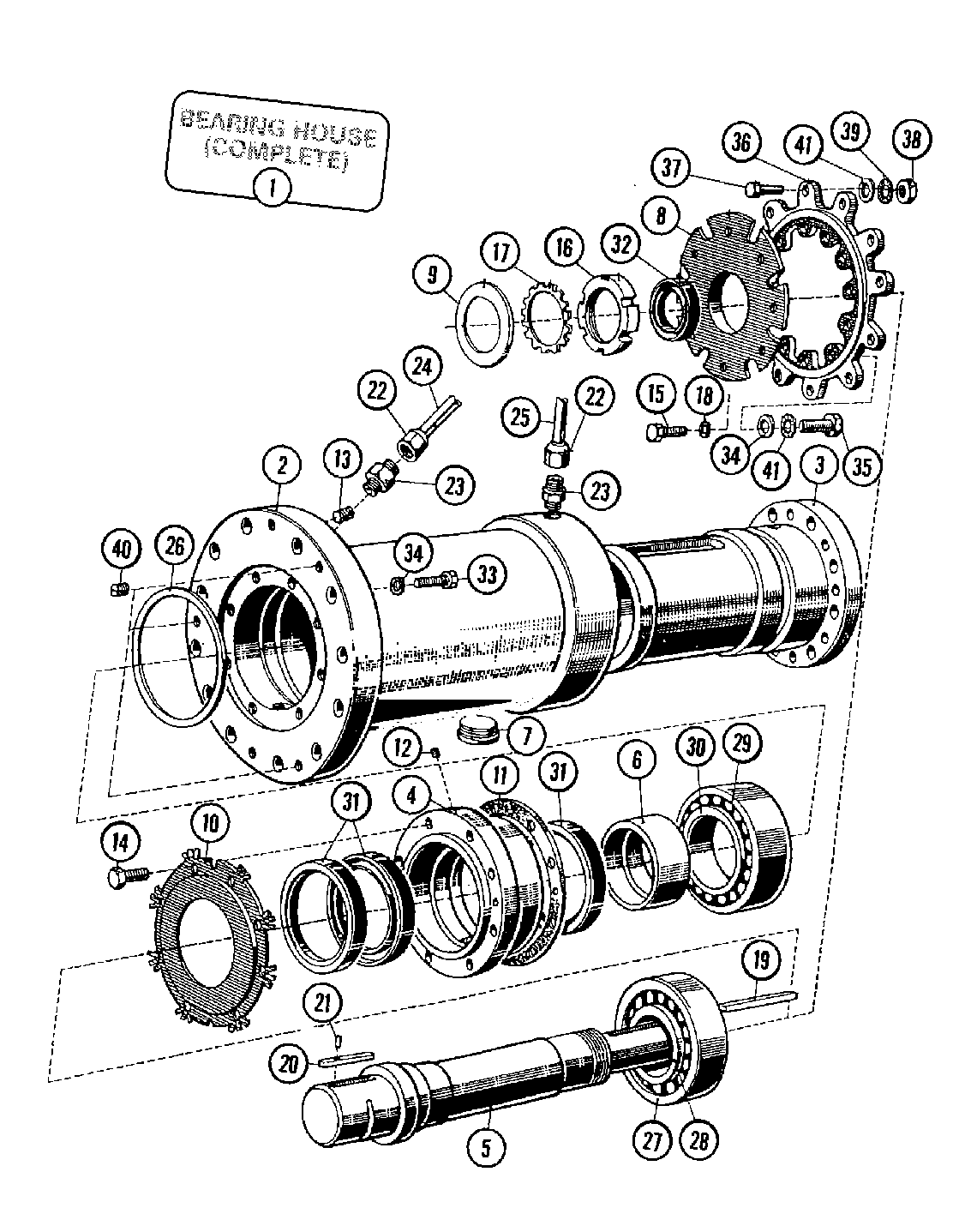
MFX75PNAVS 05 – BEARING ASSEMBLY