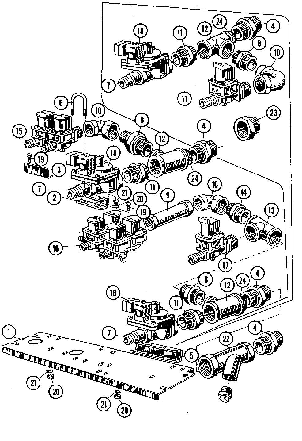
MFX80PNAVS 05 – WATER VALVE ASSEMBLY