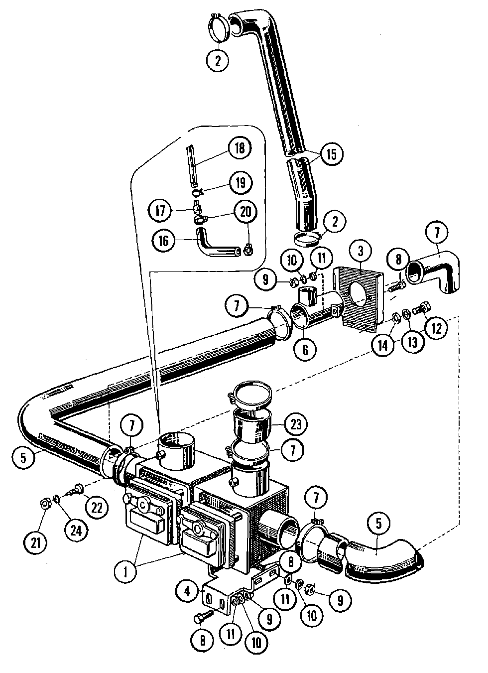
MFX95PNAVS 10 – DRAIN VALVE ASSEMBLY