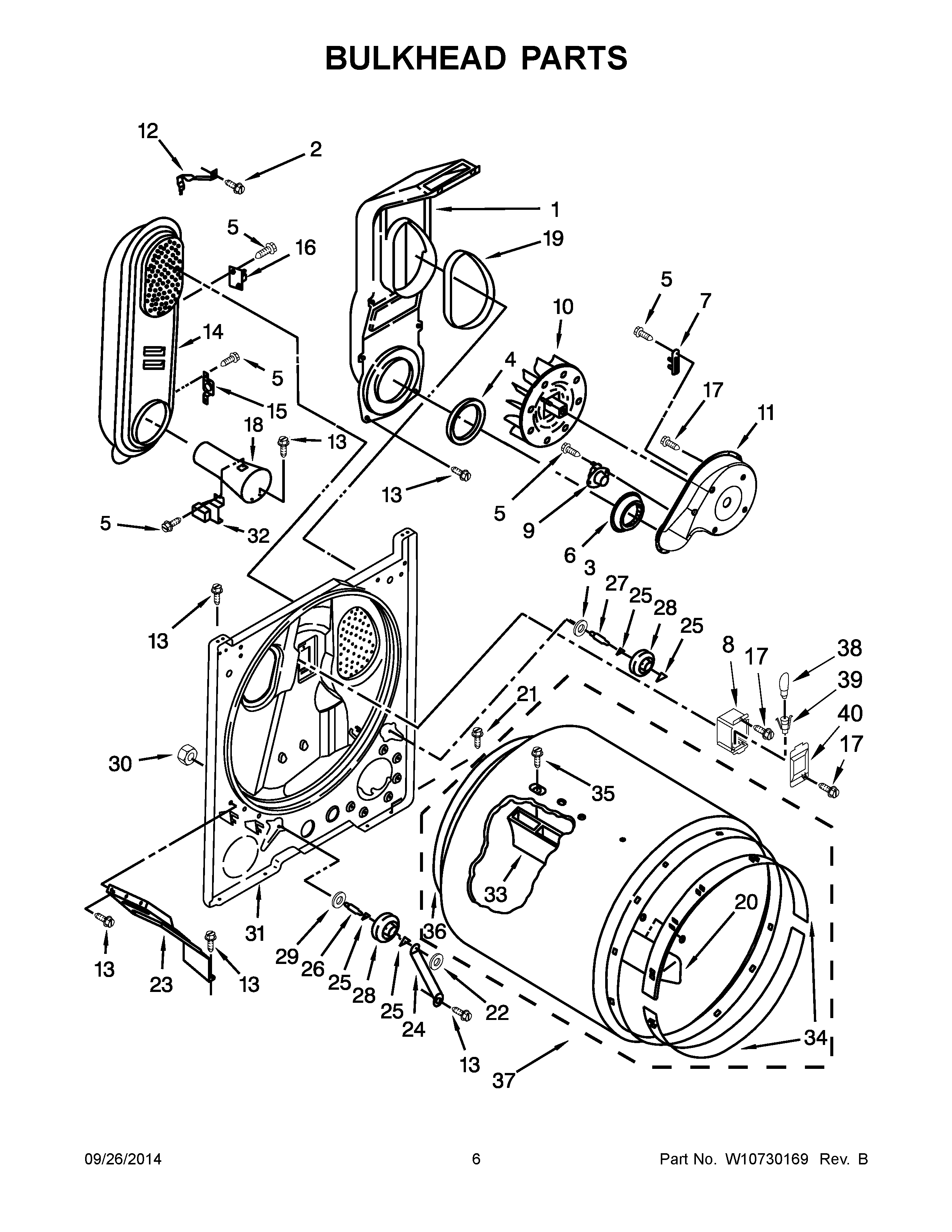
MGDC300BW1 04 – BULKHEAD PARTS