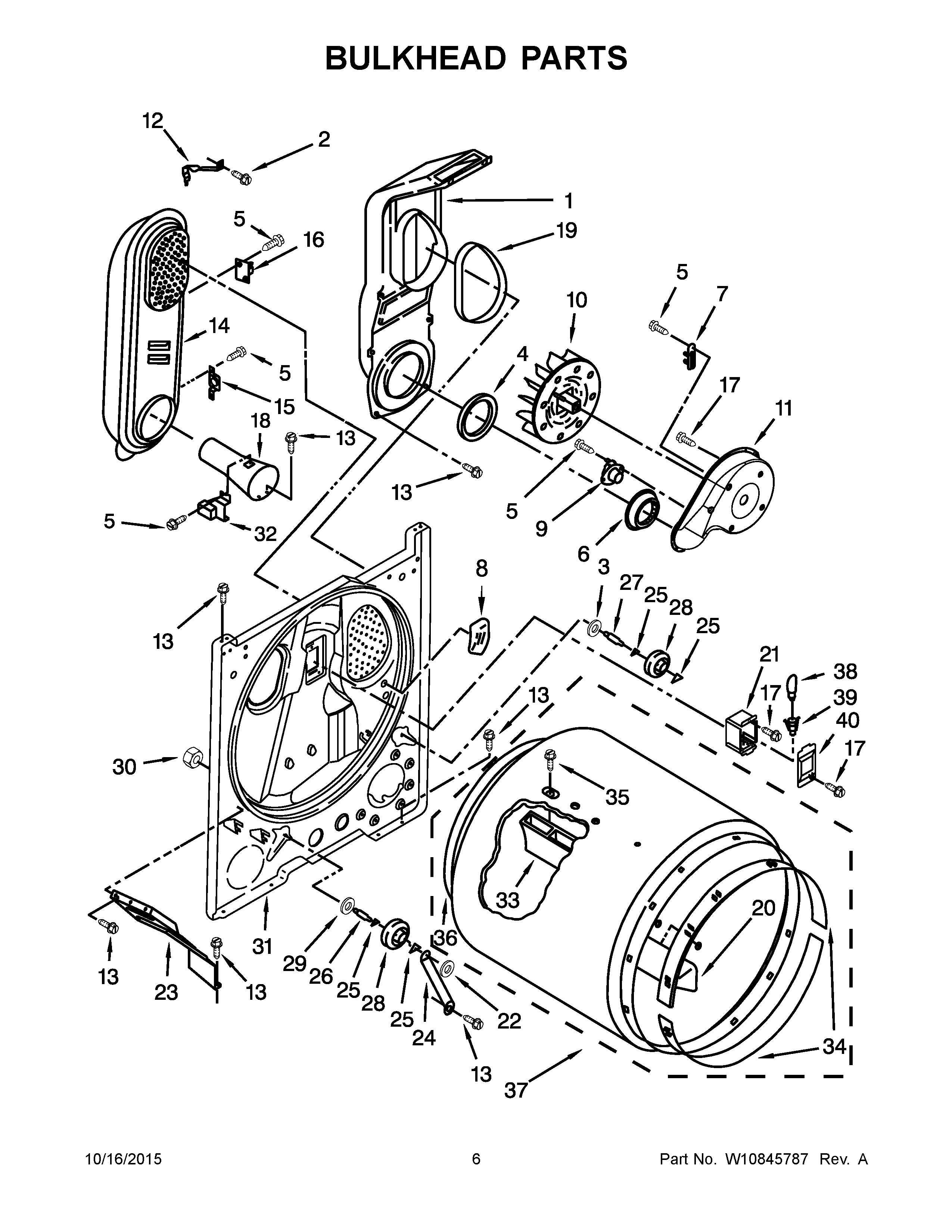
MGDC415EW1 04 – BULKHEAD PARTSadmin2025-04-26T11:32:22+00:00MGDC415EW1 04 – BULKHEAD PARTS
Products
| Position | Product |
|---|
| 1 | MAY 348368 |
| 2 | Screw |
| 3 | WASHER |
| 4 | MAY 347139 |
| 5 | SCREW,8-18 X 3/8 |
| 6 | MAY W10389567 |
| 7 | Fuse, Thermal (91 C) |
| 8 | PAD, SENSOR |
| 9 | MAY 8318268 |
| 10 | Wheel, Blower |
| 11 | MAY 8577230 |
| 12 | CLIP HEATER BOX |
| 13 | SCREW |
| 14 | BOX, HEATER (96C) |
| 15 | MAY W10423382 |
| 16 | Thermal Cutoff (Includes Illus. 48) |
| 17 | SCREW |
| 18 | FUNNEL, BURNER LIGHT |
| 19 | MAY 339956 |
| 20 | BAFFLE, DRUM (SHORT) |
| 21 | MAY 3977373 |
| 22 | NUT, PUSH ON |
| 23 | BRACKET, BULKHEAD CHUTE |
| 24 | MAY 3976434 |
| 25 | WASHER, TRI RING |
| 26 | MAY W10359270 |
| 27 | MAY W10359269 |
| 28 | ROLLER, SUPPORT |
| 29 | WASHER |
| 30 | MAY W10298789 |
| 31 | BULKHEAD |
| 32 | MAY 338906 |
| 33 | BAFFLE, DRUM (LONG) |
| 34 | Bearing, Ring |
| 35 | MAY W10219342 |
| 36 | MAY W10725245 |
| 37 | ASSEMBLY, DRUM (COMPLETE) |
| 38 | MAY 3406124 |
| 39 | MAY W10214261 |
| 40 | MAY 3402841 |