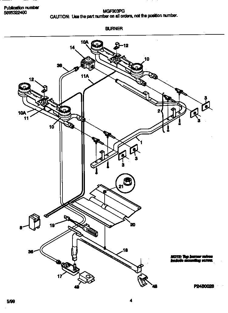
MGF303PGDD 03 – BURNER