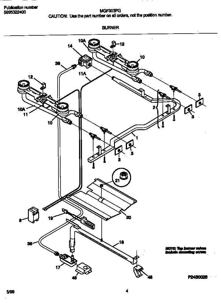
MGF303PGDE 03 – BURNER