| *96328 | 316021104 Frigidaire Oven Screw Assembly |
| *96326 | 5303271648 Frigidaire Oven Screw |
| *96327 | 316048200 Frigidaire Oven Screw |
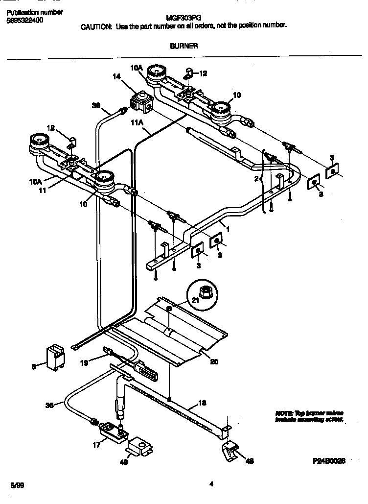
| 1 | WCI 316113500 |
| 2 | WCI 316098600 |
| 3 | WCI 316103601 |
| 8 | 5303912606 Frigidaire Oven Range Spark Module 2+0 4 Large Terminals |
| 10 | 5304506427 Frigidaire Oven Range Surface Burner (White) |
| 10 | 5304506426 Frigidaire Oven Top Rear Burner |
| 11A | IGNITER-TOP BURNER, BASE, (2) |
| 11C | IGNITER-TOP BURNER, BASE, 33`` |
| 11 | WCI 316081701 |
| 11B | WCI 316081700 |
| 12 | 3016993 Frigidaire Oven Retainer |
| 14 | WCI 316082900 |
| 17 | 3203459 Frigidaire Oven Range Dual Gas Safety Valve |
| 18 | 316114300 Frigidaire Oven Burner |
| 19 | 5303935066 Frigidaire Oven Flat Igniter 17" Leads |
| 20 | WCI 3203265 |
| 21 | 5303013272 Frigidaire Oven Nut |
| 36 | WCI 316083000 |
| 48 | WCI 3018603 |
| 49 | BRKT.-VALVE |