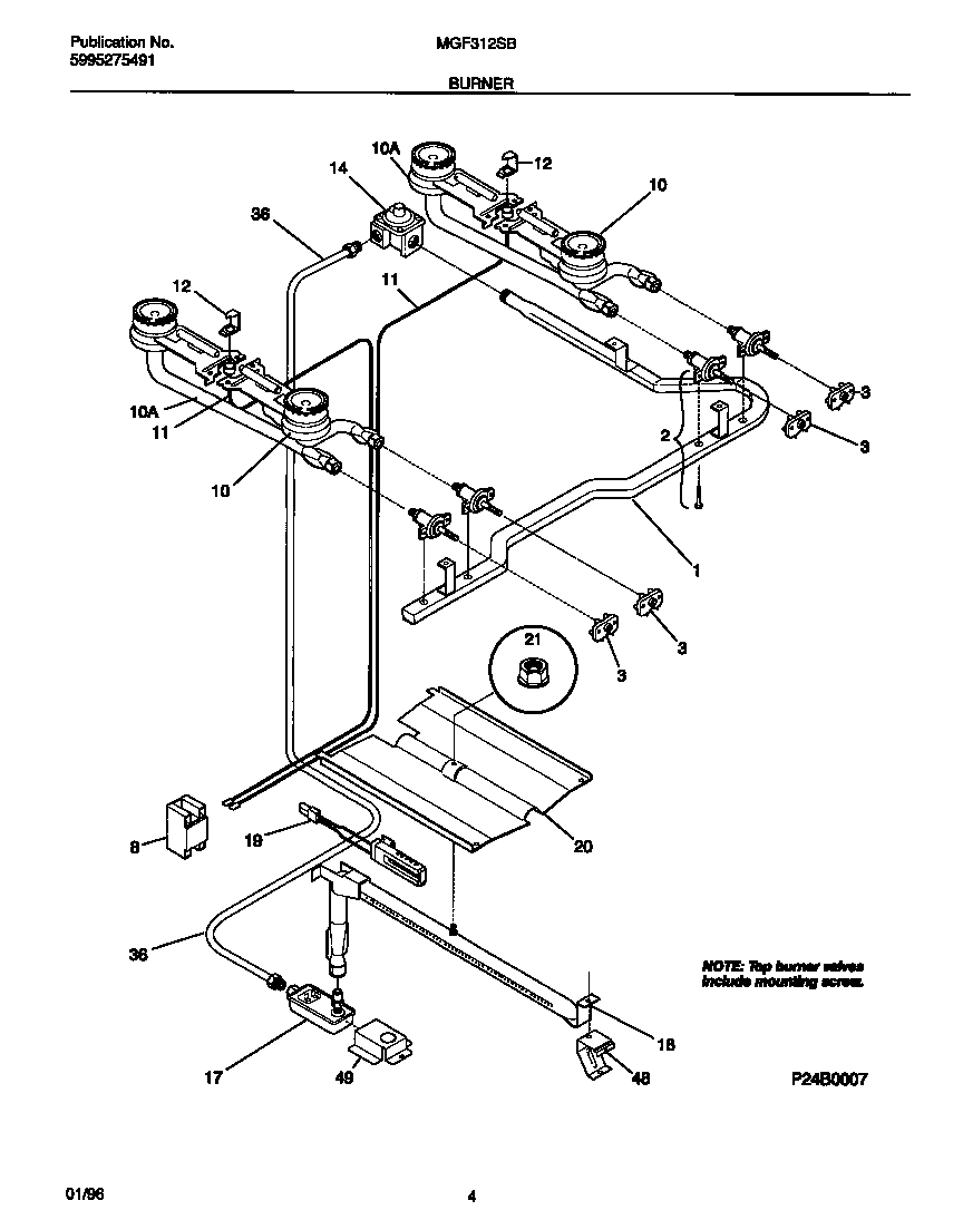
MGF312SBDC 03 – BURNER