MGF316WGSD 02 – BACKGUARDadmin2025-04-26T11:55:13+00:00MGF316WGSD 02 – BACKGUARD
Products
| Position | Product |
|---|
| *74323 | 316021109 Frigidaire Oven Screw |
| *74325 | Instructions,installation |
| *74324 | WCI 316097602 |
| *74320 | End Cap,handle ,almond ,(2) |
| *74326 | 316112500 Frigidaire Oven Template |
| *74322 | Screw,cup pt ,8-18 x 0.375 ,chrome |
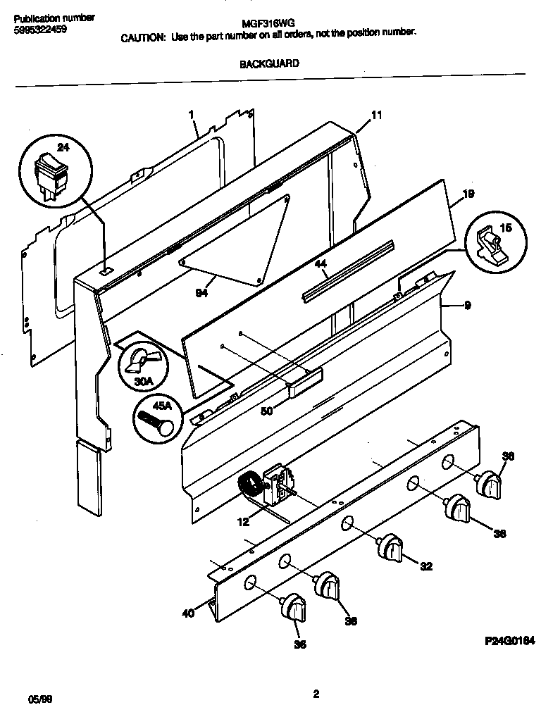
| 1 | SHIELD-BACKGUARD,REAR WALL |
| 9 | WCI 316043611 |
| 11 | WCI 316083716 |
| 12 | 316032411 Frigidaire Stove Temperature Control Thermostat |
| 15 | SUPPORT-BACKGUARD,(2) |
| 19 | WCI 316034121 |
| 24 | 5304527842 Frigidaire Rocker Switch |
| 30 | WCI 316064300 |
| 32 | 316102303 Frigidaire P-1 Knob |
| 36 | 316009046 Frigidaire Oven Knob |
| 40 | PANEL-MANIFOLD |
| 44 | WCI 3131468 |
| 45 | BOLT-FASTENER,NYLON ,WHITE |
| 50 | WCI 316096901 |
| 94 | WCI 316111300 |