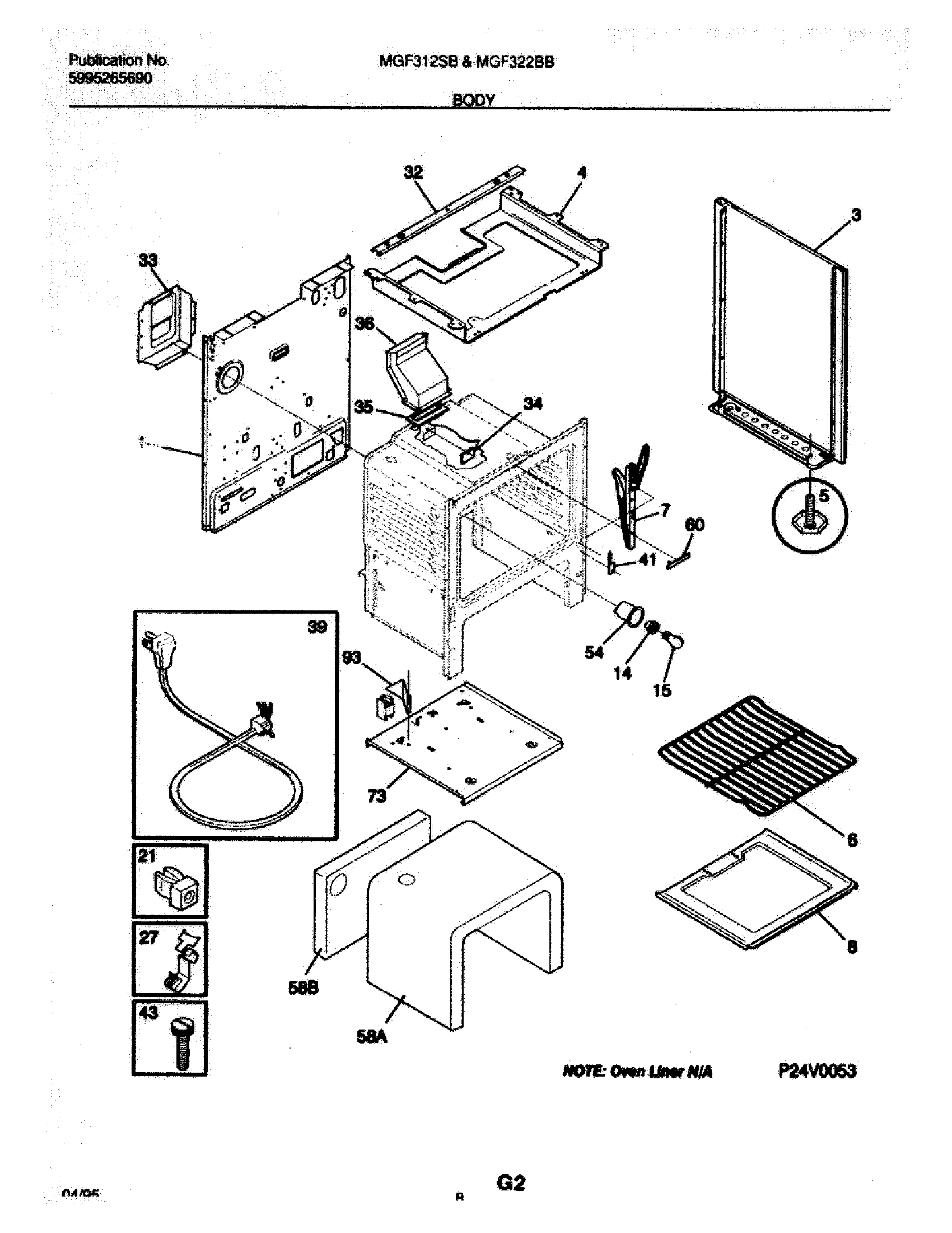
MGF322BBDB 09 – BODY