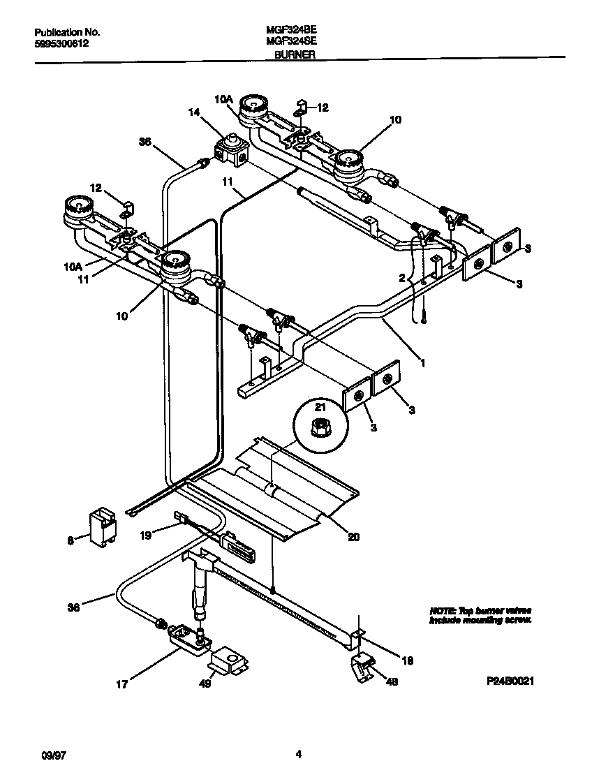
MGF324BEDC 03 – BURNER