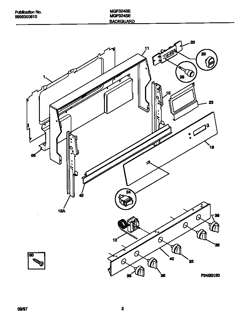
MGF324SEWC 02 – BACKGUARDadmin2025-04-26T11:41:35+00:00MGF324SEWC 02 – BACKGUARD ProductsPositionProduct*41841WCI 316096900*41840Screw,cup pt ,8-18 x 0.375 ,chrome1SHIELD-BACKGUARD, REAR WALL11WCI 31606184612316032411 Frigidaire Stove Temperature Control Thermostat15WCI 31602310815WCI 31602310919WCI 31608260520WCI 31609600123WCI 31607900228BUTTON-CLOCK29KNOB-TIMER BUTTON32316102300 Frigidaire Oven Knob36KNOB-TOP VALVE, (4)40WCI 31606232542WCI 31608330056WCI 31607490760316021105 Frigidaire Oven Screw