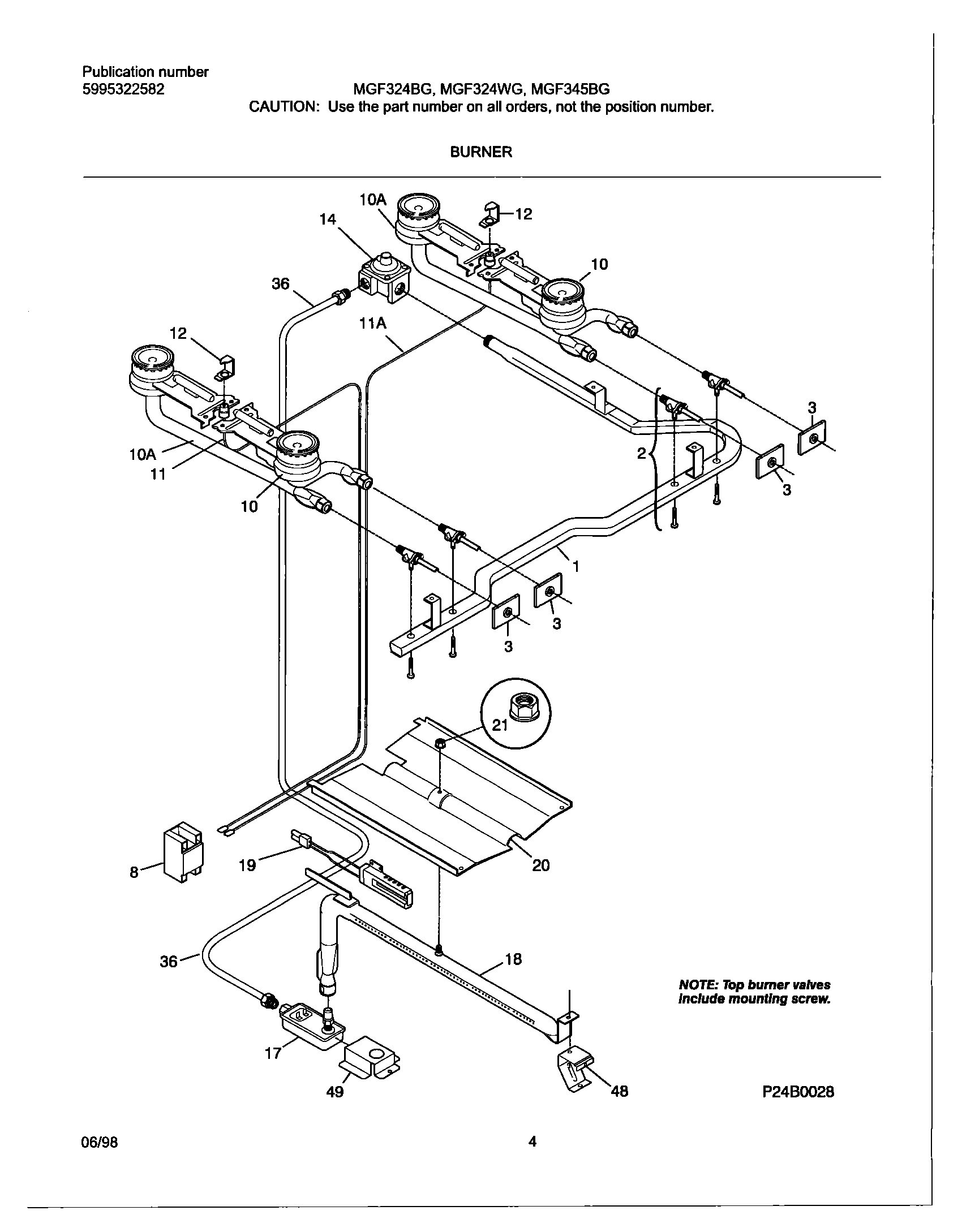
MGF324WGSF 03 – BURNER