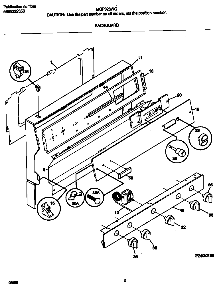
MGF326WGSD 02 – BACKGUARD