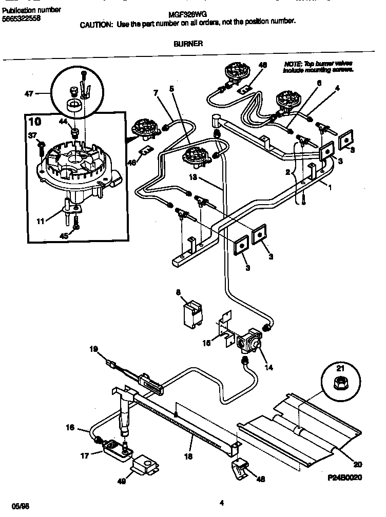
MGF326WGSD 03 – BURNER