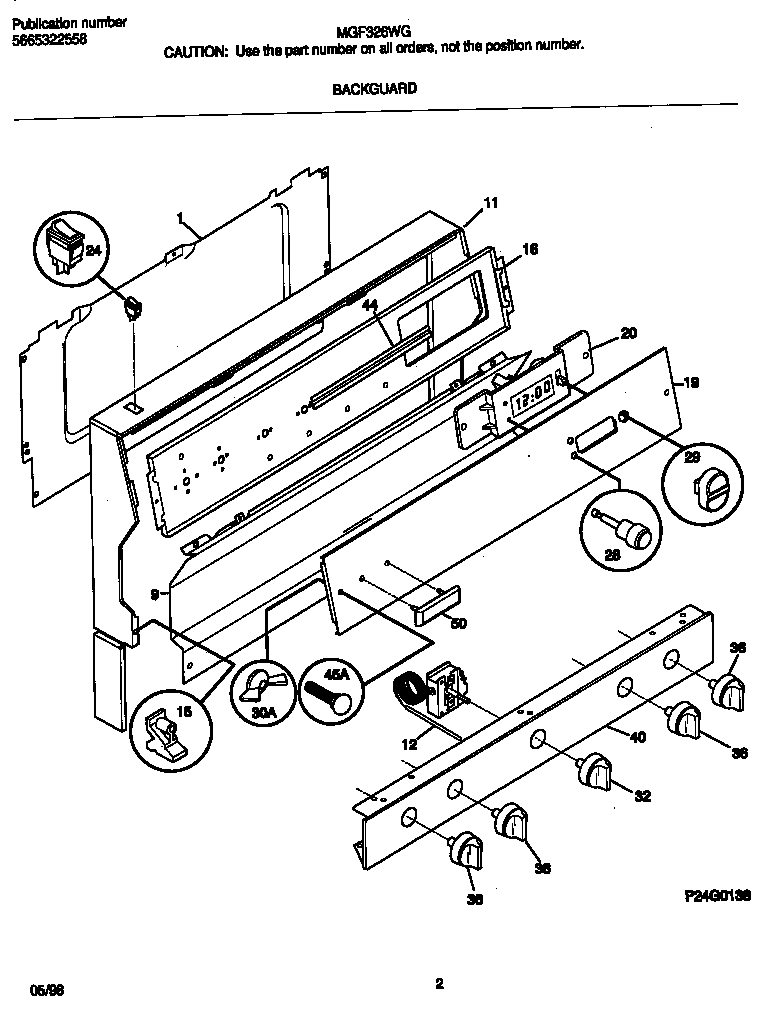
MGF326WGTD 02 – BACKGUARDadmin2025-04-26T11:34:58+00:00MGF326WGTD 02 – BACKGUARD ProductsPositionProduct*25362316021109 Frigidaire Oven Screw*25361Screw,cup pt ,8-18 x 0.375 ,chrome*25363316112500 Frigidaire Oven Template1SHIELD-BACKGUARD,REAR WALL9WCI 31604361111WCI 31608371612316032411 Frigidaire Stove Temperature Control Thermostat15SUPPORT-BACKGUARD,(2)16WCI 31604260119WCI 31603412520WCI 316113200245304527842 Frigidaire Rocker Switch28WCI 31601730329WCI 31602840230WCI 31606430032316102303 Frigidaire P-1 Knob36WCI 31600903640WCI 31606235444WCI 313146845BOLT-FASTENER,NYLON ,WHITE50WCI 316096901