| *25367 | 316021104 Frigidaire Oven Screw Assembly |
| *25364 | 5303271648 Frigidaire Oven Screw |
| *25366 | HARNESS-WIRING, MODULE/IGNITER (NON-ILLUSTRATED) |
| *25365 | 316048200 Frigidaire Oven Screw |
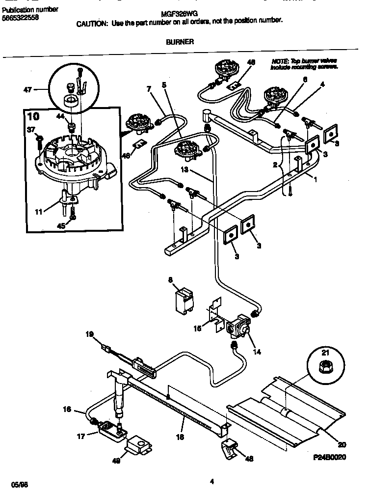
| 1 | WCI 316113801 |
| 2 | WCI 5303935130 |
| 3 | SWITCH-IGNITOR |
| 4 | WCI 316059612 |
| 5 | 316059613 Frigidaire Oven Tube-LF |
| 6 | WCI 316059614 |
| 7 | 316059615 Frigidaire Oven Tube |
| 8 | 5304505695 Frigidaire Oven Module |
| 10 | BURNER ASSY-TOP, SEALED, (4), INCLUDES, 11, 37, 44, 45, |
| 11 | 316011200 Frigidaire Oven Top Burner Igniter |
| 13 | WCI 316065005 |
| 14 | 5304521339 Frigidaire Regulator |
| 15 | 316091600 Frigidaire Oven Bracket |
| 16 | 316065006 Frigidaire Tube P1 |
| 17 | 3203459 Frigidaire Oven Range Dual Gas Safety Valve |
| 18 | 316114300 Frigidaire Oven Burner |
| 19 | 5303935066 Frigidaire Oven Flat Igniter 17" Leads |
| 20 | WCI 3203265 |
| 21 | 5303013272 Frigidaire Oven Nut |
| 37 | 316069301 Frigidaire Oven Burner Mounting Primary Screw |
| 44 | ORIFICE-TOP BURNER, (4) |
| 45 | WCI 316011100 |
| 46 | WCI 316074700 |
| 47 | WCI 5303286386 |
| 48 | WCI 3018603 |
| 49 | BRKT.-VALVE |