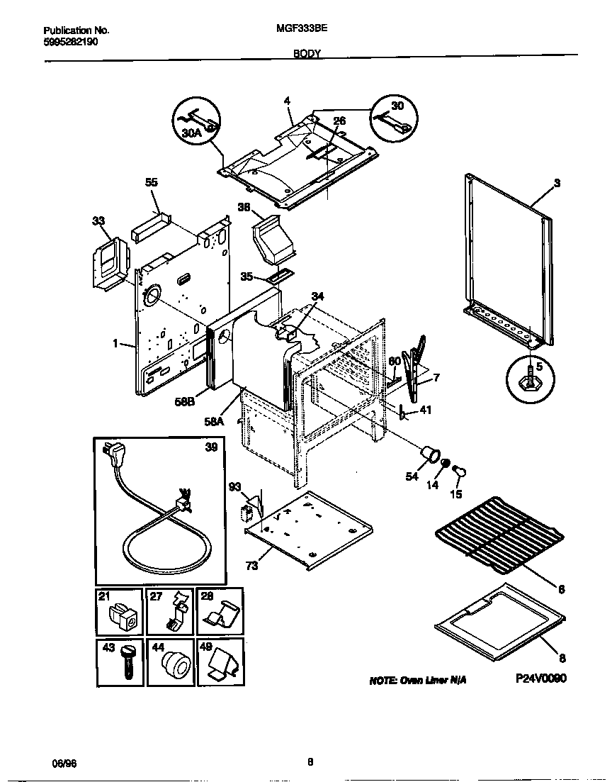
MGF333BEWB 05 – BODY