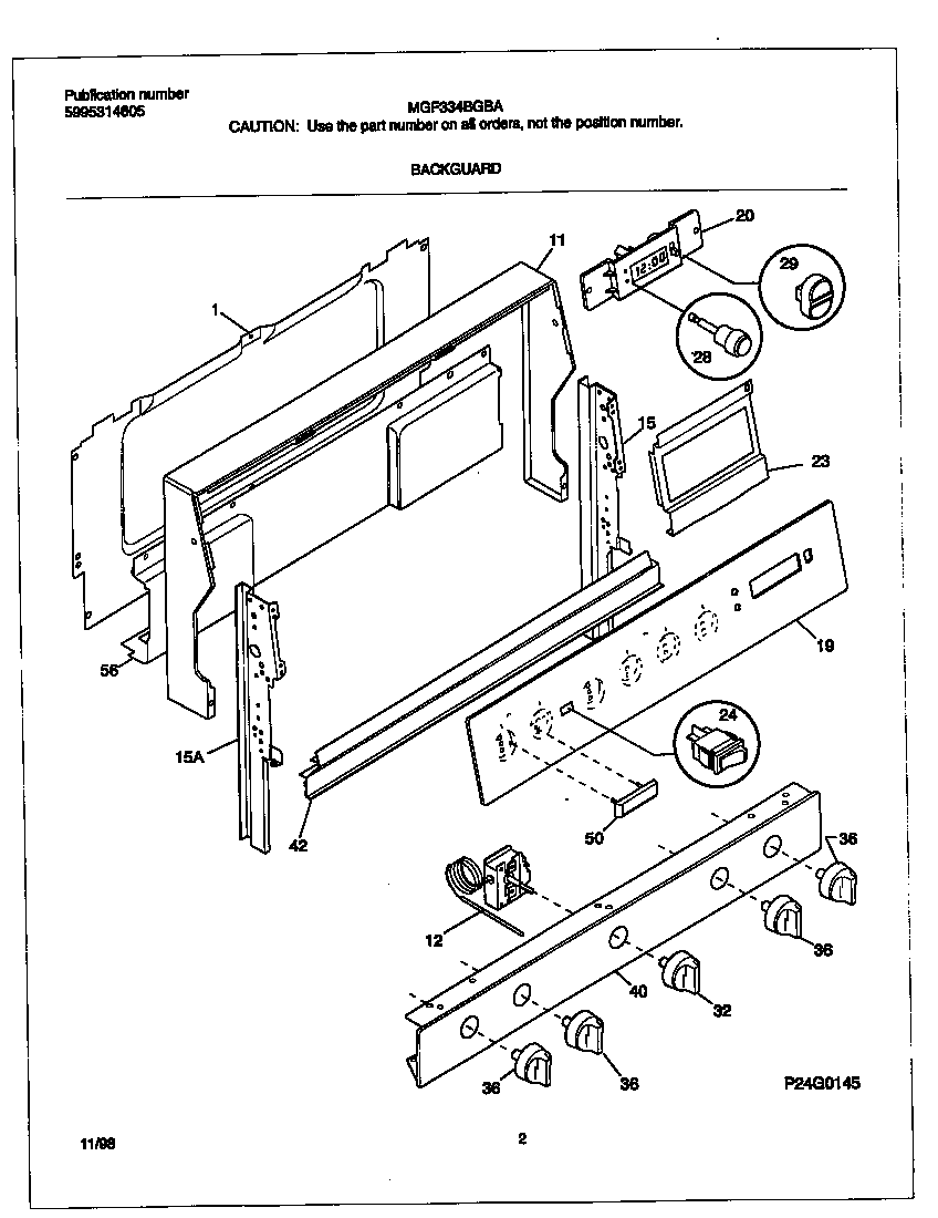
MGF334BGBA 02 – BACKGUARDadmin2025-04-26T11:54:35+00:00MGF334BGBA 02 – BACKGUARD ProductsPositionProduct*37080WCI 316002989*37082316021109 Frigidaire Oven Screw*37081Screw,cup pt ,8-18 x 0.375 ,chrome1SHIELD-BACKGUARD, REAR WALL11Trim-wrapper,black ,textured12316032411 Frigidaire Stove Temperature Control Thermostat15WCI 31602310915WCI 31602310819WCI 31608265220WCI 31609600123WCI 316079002245304527841 Frigidaire Oven Rocker Switch (Black)28BUTTON-CLOCK29KNOB-TIMER BUTTON32WCI 31610950636KNOB-TOP VALVE,BLACK40WCI 31608683142WCI 31608330050WCI 31609690056WCI 31607490760316021105 Frigidaire Oven Screw