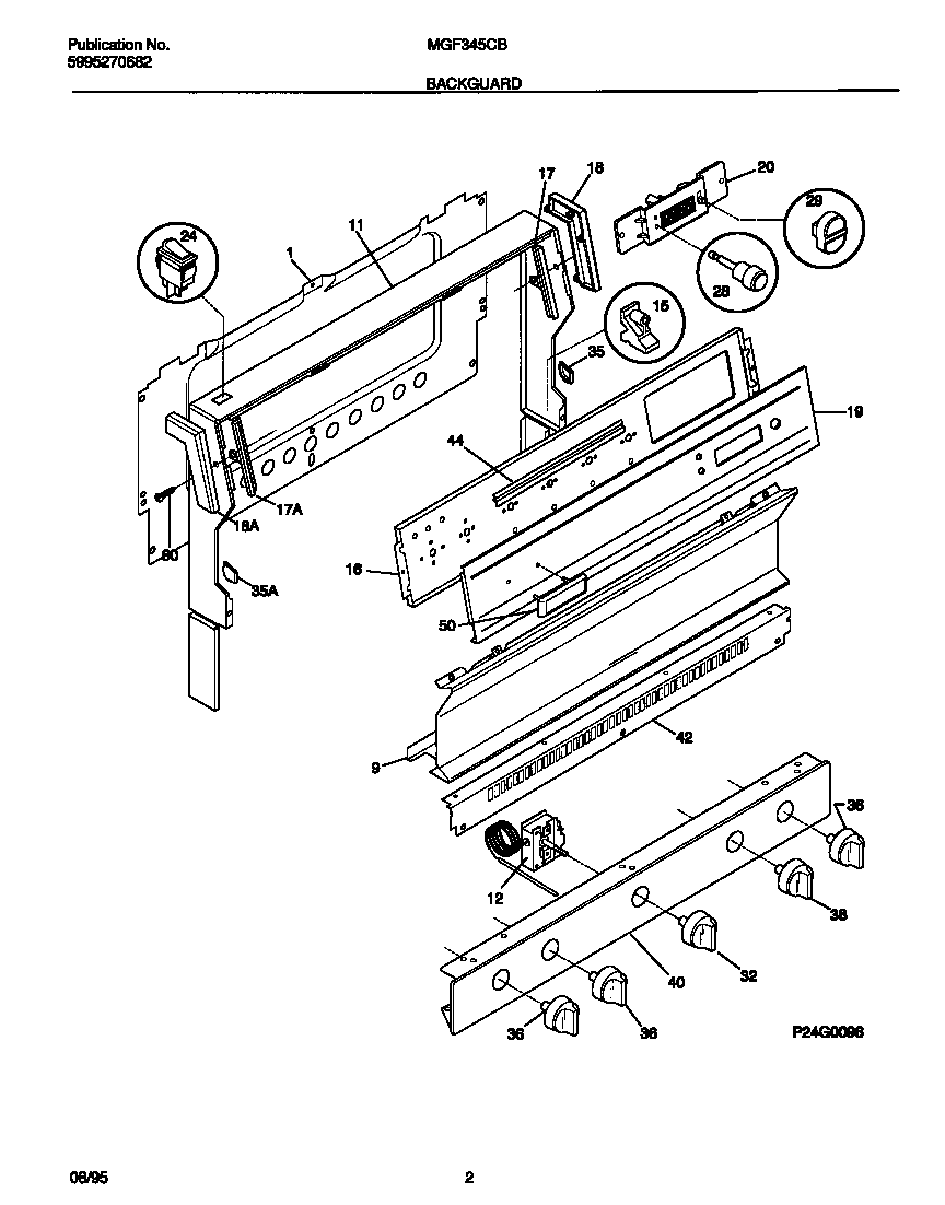
MGF345CBSC 02 – BACKGUARD