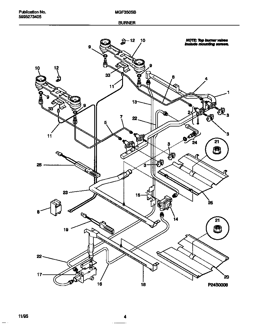
MGF350SBDB 03 – BURNER