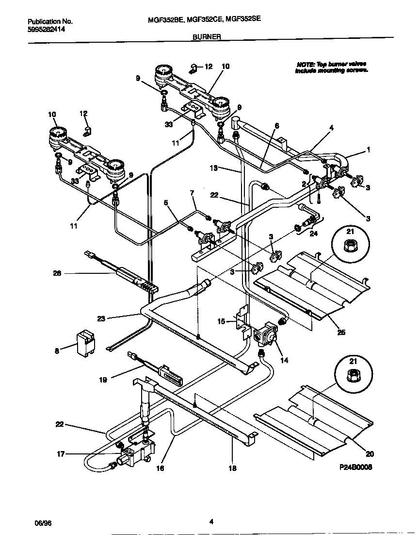
MGF352SEDA 03 – BURNER