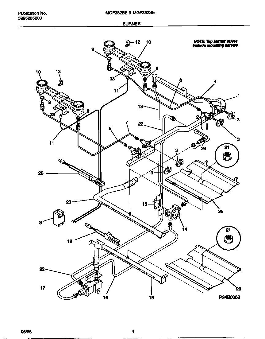
| 1 | WCI 316066201 |
| 2A | VALVE, TOP, 2 POS, (4) |
| 2B | 316048200 Frigidaire Oven Screw |
| 3B | SWITCH HARNESS TERMINAL KIT |
| 3A | WCI 316032001 |
| 4 | WCI 316051400 |
| 5 | WCI 316051401 |
| 6 | WCI 316051402 |
| 7 | WCI 316051403 |
| 8 | 5303912606 Frigidaire Oven Range Spark Module 2+0 4 Large Terminals |
| 9 | NUT, SPECIAL |
| 10 | WCI 316057100 |
| 11A | IGNITER-TOP BURNER, BASE, (2) |
| 11B | IGNITER-TOP BURNER, BASE, 33`` |
| 12 | 3016993 Frigidaire Oven Retainer |
| 13 | WCI 316065005 |
| 14A | 5304521339 Frigidaire Regulator |
| 14B | 316021104 Frigidaire Oven Screw Assembly |
| 15 | 316091600 Frigidaire Oven Bracket |
| 16 | WCI 316065003 |
| 17 | 5303208499 Frigidaire Safety Gas Valve |
| 18 | WCI 3131290 |
| 19 | 5303935066 Frigidaire Oven Flat Igniter 17" Leads |
| 20 | BAFFLE-OVN BURNER |
| 21 | 5303013272 Frigidaire Oven Nut |
| 22 | WCI 316065002 |
| 23 | WCI 08067935 |
| 24 | WCI 316070400 |
| 25 | WCI 5303210379 |
| 26 | 5303935068 Frigidaire Flat Igniter |
| 33 | BRACKET BURNER MTG |