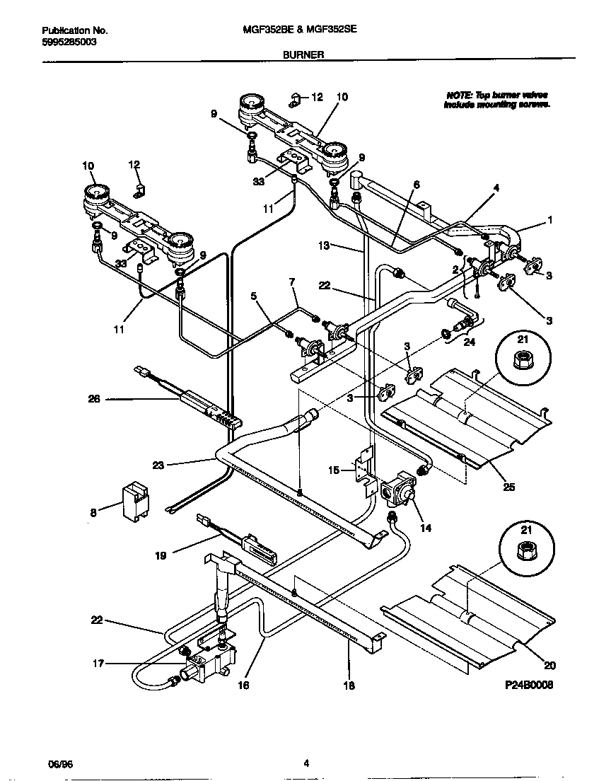
MGF352SEWB 03 – BURNER