| *64812 | 3203010 Frigidaire Clip |
| *64814 | WCI 08067961 |
| *64818 | WCI 08067757 |
| *64817 | Screw,cup pt ,8-18 x 0.375 ,chrome |
| *64809 | WCI 316081029 |
| *64813 | 316064600 Frigidaire Oven Support |
| *64810 | WCI 3934058 |
| *64811 | 316116000 Frigidaire Screw |
| *64815 | SCREW-HEAT SHIELD, HD SHLDR SQDR, 8-18 X 1/2 |
| *64816 | WIRING HARNESS,CHASSIS |
| *64819 | 3205821 Frigidaire Clip |
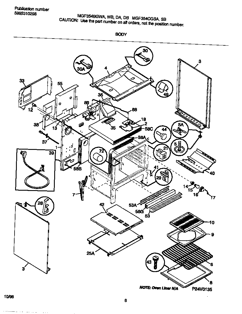
| 1 | WCI 316029412 |
| 2 | SHIELD-OVN TOP |
| 3 | WCI 316081028 |
| 4 | WCI 316011912 |
| 5 | SCREW-LEVELING |
| 5 | NUT, T,TYPE, LEVELING SCREW (NOT ILLUSTRATED) |
| 6 | 316067902 Frigidaire Oven Rack |
| 7 | WCI 316007002 |
| 8 | BTTM-OVEN |
| 9 | WCI 316073800 |
| 10 | WCI 3205234 |
| 12 | SWITCH-OVEN LIGHT, DOOR FRAME |
| 13 | WCI 316026800 |
| 14 | 316116400 Frigidaire Oven Light Socket |
| 15 | 316538904 Frigidaire Oven Lamp Light |
| 16 | 5304524341 Frigidaire Lens |
| 17 | 316087500 Frigidaire Oven Retainer |
| 18 | WCI 316036300 |
| 21 | SPACER-BODYSIDE, (8) |
| 25 | WCI 5303288580 |
| 28 | CLIP-WIRE |
| 29 | 3051162 Frigidaire Oven Range Front Broiler Drawer Glide |
| 30 | WCI 316059200 |
| 30 | WCI 316059201 |
| 33 | SHIELD, REAR WALL |
| 35 | 316542102 Frigidaire Flue Gasket |
| 36 | WCI 5303272844 |
| 37 | 5304497424 Frigidaire Oven Temperature Sensor Probe Kit |
| 38 | WCI 316051700 |
| 39 | 5304515659 Frigidaire Oven Power Cord |
| 40 | WCI 3200836 |
| 41 | WCI 3131570 |
| 42 | WCI 5303288578 |
| 43 | 316282700 Frigidaire Oven Screw |
| 44 | 3131903 Frigidaire Door/Drawer Bumper |
| 53 | WCI 08067992 |
| 53 | WCI 5303288579 |
| 55 | WCI 08068018 |
| 58 | INSULATION, OVEN WRAPPER |
| 58 | WCI 316054200 |
| 58 | 08067973 Frigidaire 0 Insulation |
| 58 | INSULATION, OVEN TOP |
| 72 | COVER-LIGHT/SWITCH ROD |
| 88 | WCI 316026400 |
| 89 | WCI 316028101 |