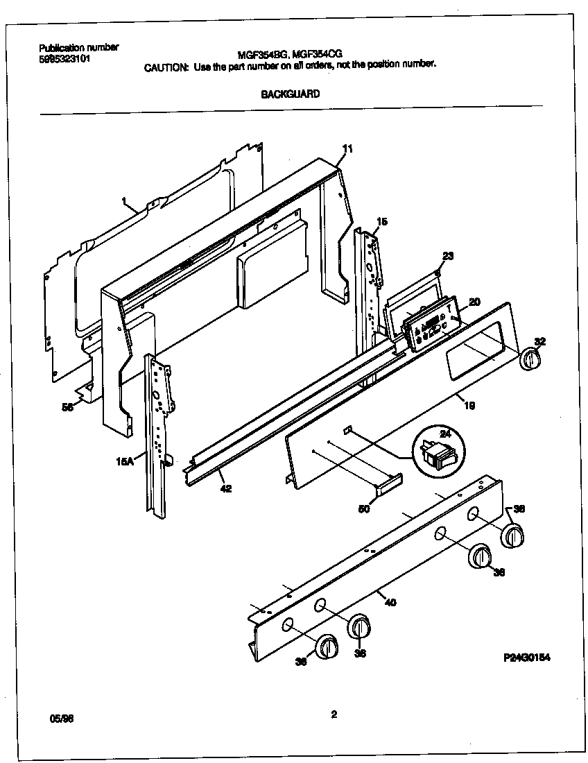
MGF354CGSC 02 – BACKGUARDadmin2025-04-26T09:24:50+00:00MGF354CGSC 02 – BACKGUARD ProductsPositionProduct*55201316021109 Frigidaire Oven Screw*55200Screw,cup pt ,8-18 x 0.375 ,chrome*55203OVERLAY-CLOCK*55202316112500 Frigidaire Oven Template1SHIELD-BACKGUARD, REAR WALL11WCI 31606185715WCI 31602310815WCI 31602310919PANEL-CONTROL,METAL ,WHITE20WCI 31610110223WCI 316100400245304527842 Frigidaire Rocker Switch32WCI 31610140136KNOB-TOP VALVE,WHITE40WCI 31600928542WCI 31608330050WCI 31609690156WCI 316074907