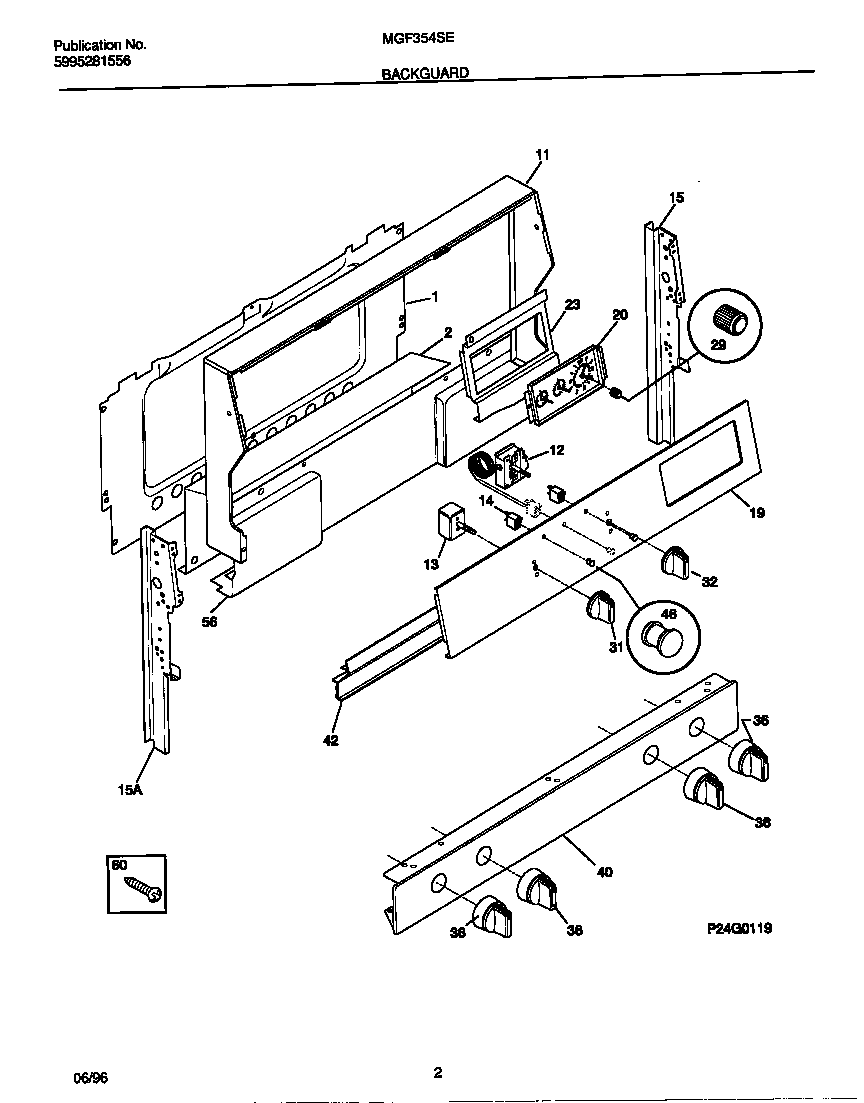
MGF354SEWB 02 – BACKGUARDadmin2025-04-26T09:20:29+00:00MGF354SEWB 02 – BACKGUARD ProductsPositionProduct*31441WCI 316067003*31440Screw,cup pt ,8-18 x 0.375 ,chrome1SHIELD-BACKGUARD, REAR WALL2WCI 31605160111WCI 31606184612WCI 31602860013WCI 31607330014316022500 Frigidaire Oven Warmer Drawer Zone Indicator Light Lamp15WCI 31602311115WCI 31602311019WCI 31608260820WCI 31601740823WCI 31607900129WCI 31602900831WCI 31608725632WCI 31608725536WCI 31600901040WCI 31608681742WCI 31608330046318228310 Frigidaire Oven Lens56WCI 31607490260316021105 Frigidaire Oven Screw