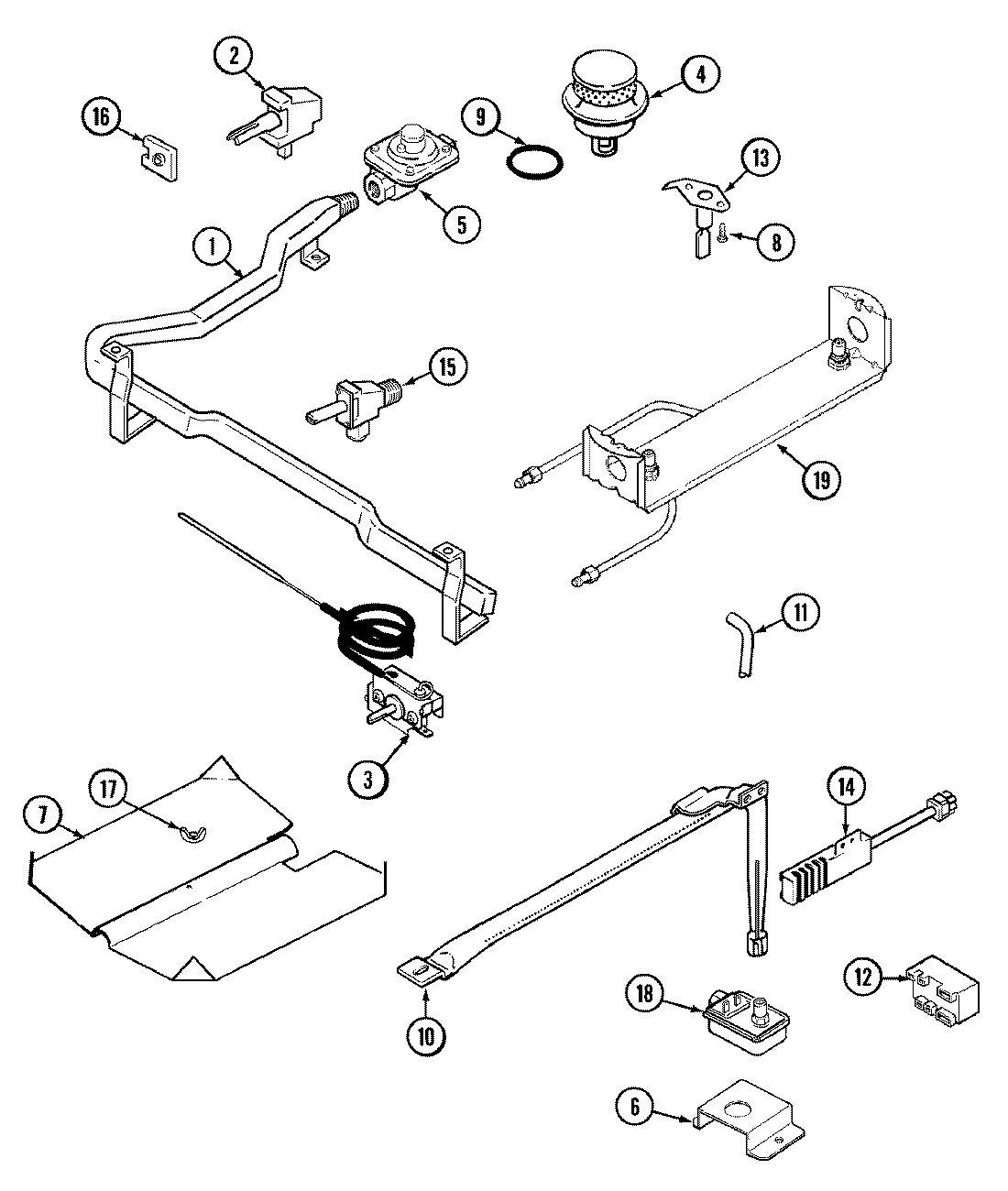
MGR4410ADW 04 – GAS CONTROLSadmin2025-04-26T11:33:54+00:00MGR4410ADW 04 – GAS CONTROLS ProductsPositionProduct1MAY 740037952WP8273096 Whirlpool Screw2MAY 740025323MAY 7101P280-603MAY 7404P096-604MAY 3412D018-265MAY 7510P049-606MAY 740023947MAY 740023938MAY Y7071139MAY 7201P050-6010MAY 7400243410SCREW11MAY 7400245611MAY 1555251128215557 Whirlpool Gas Stove Range Oven Cooktop Spark Module12MAY 7400328813NOT REQUIRED PART OR SEE NOTE FUSE (NOT REQUIRED)14WP3351614 Whirlpool Screw14MAY 7432P076-6015MAY 7101P044-601512002280 Whirlpool Oven Valve Kit and Screw16MAY 7400253317NUT, WING18MAY 740023871912001075 Whirlpool Oven Orifice and Tube Kit19MAY 5187D028-6020MAY 7400423120MAY 1200120920MAY 7400236220MAY 74002457