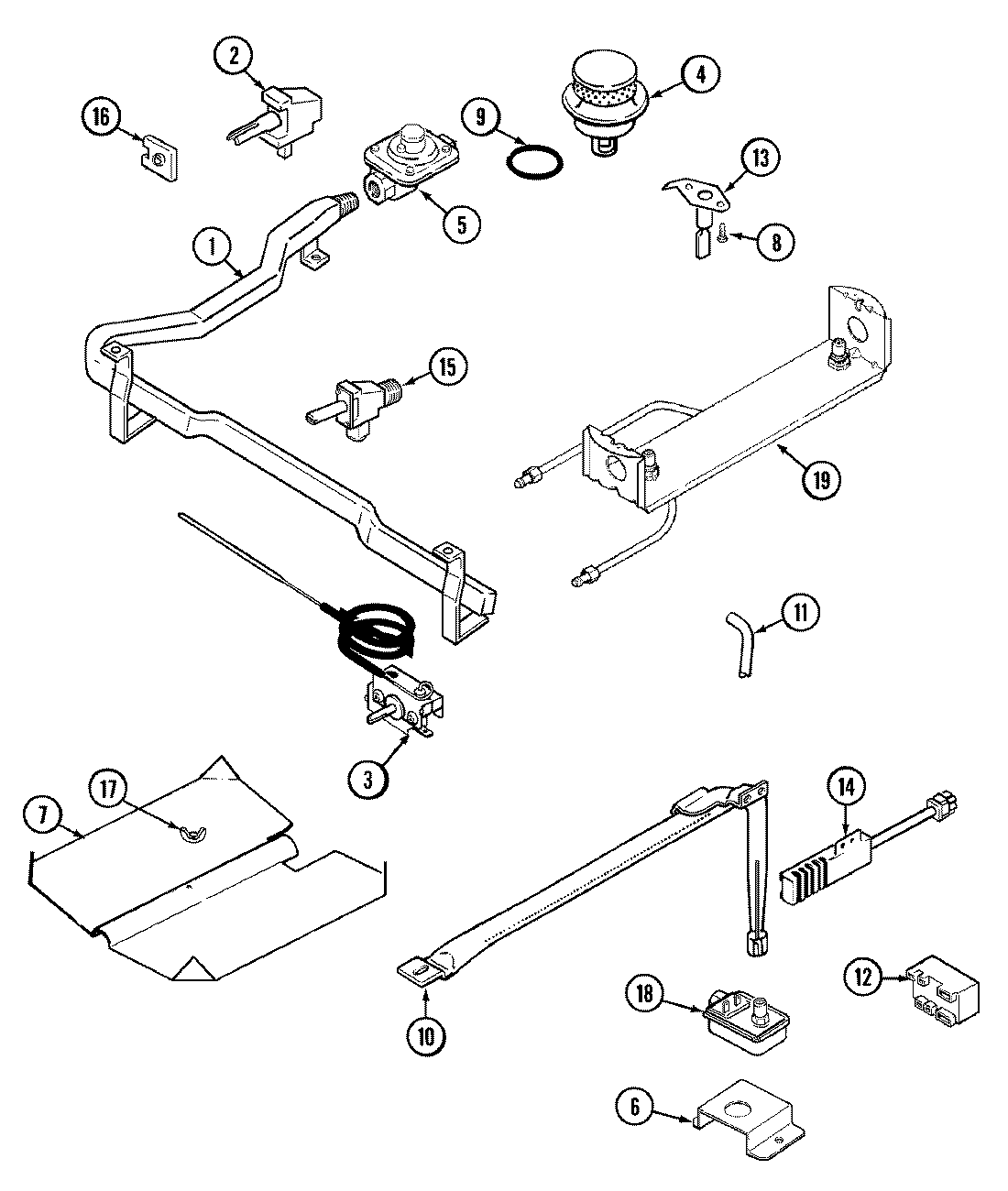
MGR4450ADH 04 – GAS CONTROLSadmin2025-04-26T11:35:11+00:00MGR4450ADH 04 – GAS CONTROLS ProductsPositionProduct1MAY 740038502MAY 740025322WP8273096 Whirlpool Screw2MAY 7502P252-603MAY 7404P096-603MAY 7101P280-604MAY 3412D018-095MAY 7510P049-606MAY 740023947MAY 740023938MAY Y7071139MAY 7201P050-6010SCREW10MAY 7400243411MAY 155525111MAY 7400245612MAY 74003288128215557 Whirlpool Gas Stove Range Oven Cooktop Spark Module13NOT REQUIRED PART OR SEE NOTE FUSE (NOT REQUIRED)14MAY 7432P076-6014WP3351614 Whirlpool Screw15MAY 7101P044-601512002280 Whirlpool Oven Valve Kit and Screw16MAY 7400253316WP7403P287-60 Whirlpool Igniter Switch17NUT, WING18MAY 740023871912001075 Whirlpool Oven Orifice and Tube Kit19MAY 1200107620MAY 7400245720MAY 7400423120MAY 1200120920MAY 74002362